EasyManua.ls Logo

Sony TRINITRON KV-A2121D - Page 38

Sony TRINITRON KV-A2121D
70 pages
Print Icon
To Next Page IconTo Next Page
To Next Page IconTo Next Page
To Previous Page IconTo Previous Page
To Previous Page IconTo Previous Page
Loading...
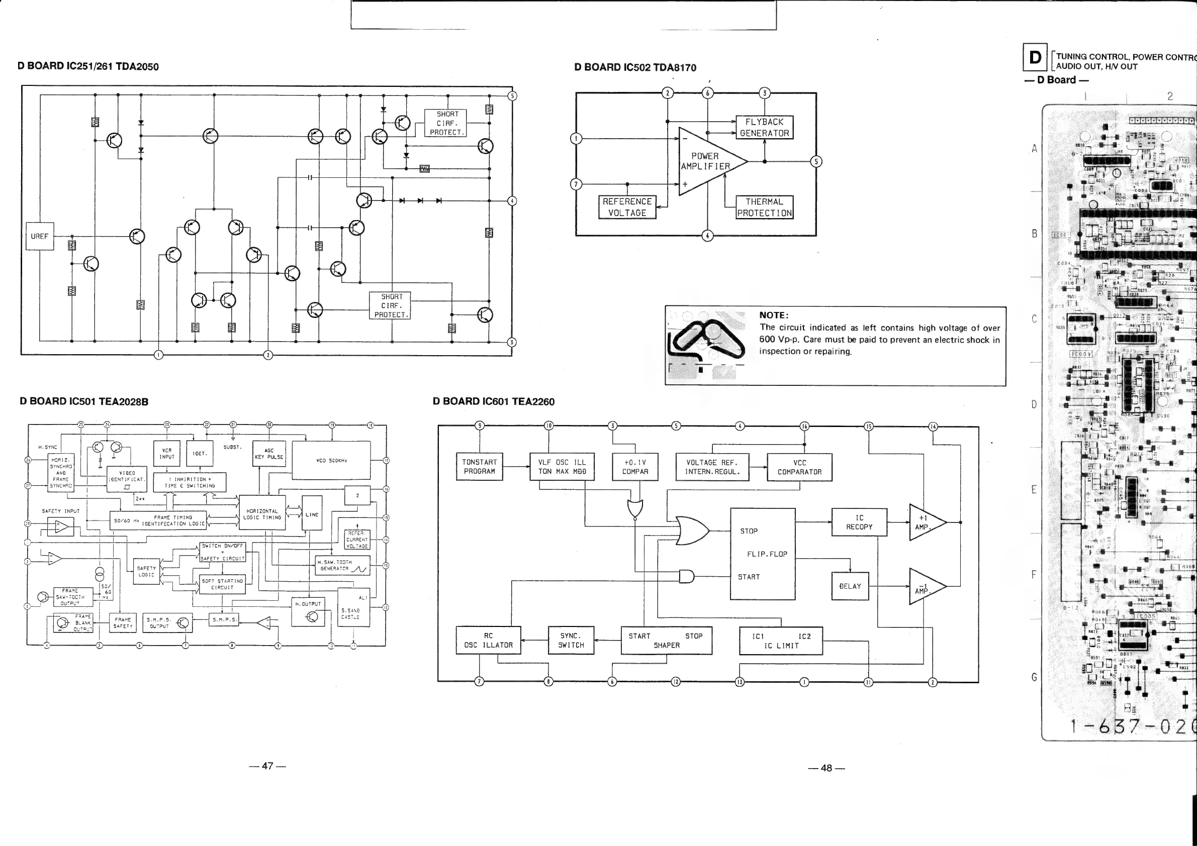
D
BOARD
1C251/261
TDA2050
D
BOARD
IC501
TEA2028B
———0
B
22
Qi)
t
eae
ak
©)
vc
a
SUBST.
tos
INPUT
i
VIDEO
[BENT
IFICAT.
1
INHIRITION
+
co
TIME
SWITCHING
FRAME
TIMING
(ae)
30760
Ht
J
oeNTIFECATION
LOGIC
SAFETY
INPUT
SWITCH
ON/OFF
+
SAFETY
CIRCUIT
SAFETY
LOGIC
SOFT
STARTING
CIRCUIT
LOGIC
TIMING
D
BOARD
IC502
TDA8170
D
BOARD
IC601
TEA2260
KEY
PULSE
VCO
SOOKKz
@)
TONSTART
PROGRAM
HORIZONTAL
H.
SAW.
TOOTH
GENERATCR
Ay
H.
OUTPUT
RC
OSC
ILLATOR
|
|
SS
Gh
47
VLF
OSC
ILL
TON
MAX
MBB
eee!
SYNC.
SWITCH
VOLTAGE
+0.1V
COMPAR
START
SHAPER
NOTE:
The
circuit
indicated
as
left
contains
high
voltage
of
over
600
Vp-p.
Care
must
be
paid
to
prevent
an
electric
shock
in
inspection
or
repairing.
VOLTAGE
REF.
=
vcc
COMPARATOR
INTERN.
REGUL.
STOP
STOP
FLIP.FLOP
START
Ic
LIMIT
48
TUNING
CONTROL,
POWER
CONTR
AUDIO
OUT,
H/V
OUT
D
Board
2
A
B
C
D
E
_
ay
:
“3
|
erin.
Ee
c
Ld
ar
og
LL
nt
oe
ca)
oa
G
|
eee

Related product manuals