EasyManua.ls Logo

Sony TRINITRON KV-A2121D - Page 40

Sony TRINITRON KV-A2121D
70 pages
Print Icon
To Next Page IconTo Next Page
To Next Page IconTo Next Page
To Previous Page IconTo Previous Page
To Previous Page IconTo Previous Page
Loading...
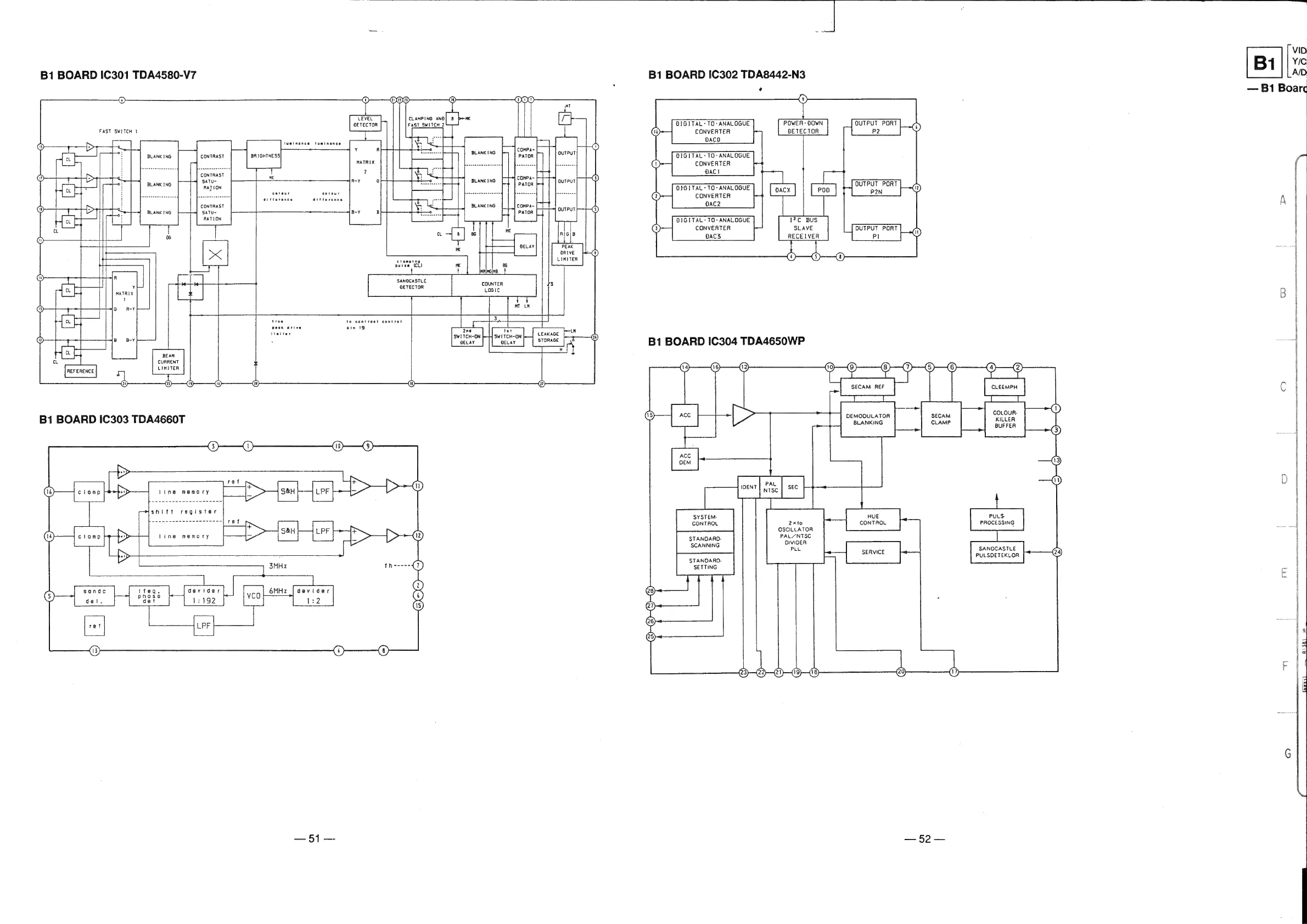
B1
BOARD
IC301
TDA4580-V7
CONTRAST
CONTRAST
SATU-
CONTRAST
SATU-
RATION
BRIGHTNESS
colour
ditference
LEVEL
CLAMPING
AND
OETECTOR
FaST
SWITCH
2
colour
ditterence
clamping
LIMITER
1
pulse
(CLI
)
mK
0G
u
IMR|MG|NB
SANDCASTLE
COUNTER
OETECTOR
GoGie
BEAM
CURRENT
REF
ERENCE
PINTER
troe
peak
drive
limiter
fw
coat
tick
eenncel
pp
ee
2ne
Ist
|
.
a
SWITCH-ON
FH
Swi
TCH-ON
LEARAGE:
|
OELAY
|
|
aELAY
STORAGE
devider
|
4
ee
ee
B1
BOARD
IC302
TDA8442-N3
e
O!1GITAL
+
TO-ANALOGUE
CONVERTER
BACO
O1G1
TAL:
TO:
ANALOGUE
CONVERTER
DAC
DIGITAL
-
TO-
ANALOGUE
CONVERTER
DAc2
DIGITAL*
TO:
ANALOGUE
1?
BUS
CONVERTER
SLAVE
Qac3
RECEIVER
B1
BOARD
IC304
TDA4650WP
SYSTEM-
CONTROL
2x1to
OSCILLATOR
PAL/NTSC
STANDARD.
ara
STANDARD-
SETTING
C3)—23-—2!)
OUTPUT
PORT
OUTPUT
PORT
=
OUTPUT
PORT
Pl
(Ga
eee
aes
COLOUR.
KILLER
BUFFER
DEMOOULATOR
BLANKING
HUE
CONTROL
—'52.==
VID
YIC|
A/D
B1
Board
+
eae
me
ne
eee

Related product manuals