EasyManua.ls Logo

SpaVida Whirpool B015 - Page 23

SpaVida Whirpool B015
Print Icon
To Next Page IconTo Next Page
To Next Page IconTo Next Page
To Previous Page IconTo Previous Page
To Previous Page IconTo Previous Page
Loading...
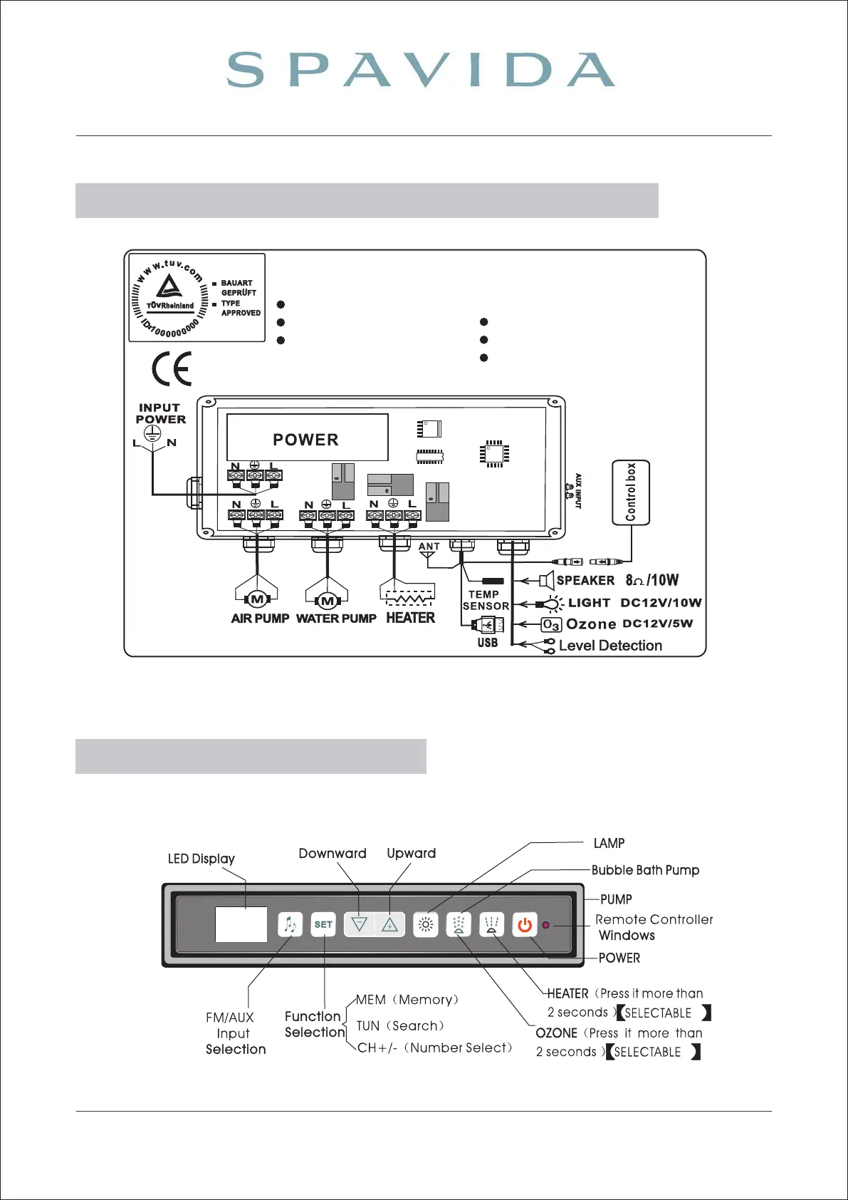
4.THE ASSAGE BATHTUB CONTROL CONNECT SCHE AT CS
MASSAGE BATHTUB CONTROLLER
MODEL: GD-7001BT
VOLTAGE: AC220-240V50/60HZ
MAX TOTAL LOAD: 14.2A
WATERPROOFGRADE: IPX4
SPECIFICATION FOR LOAD
WATER PUMP: AC220-240V1000W
AIR PUMP: AC220-240V 750W
HEATER: AC220-240V1500W
GAOERDA ELECTRONICS CO.,LTD
5.PANEL FUNCION DESCRIPTION
23