EasyManua.ls Logo

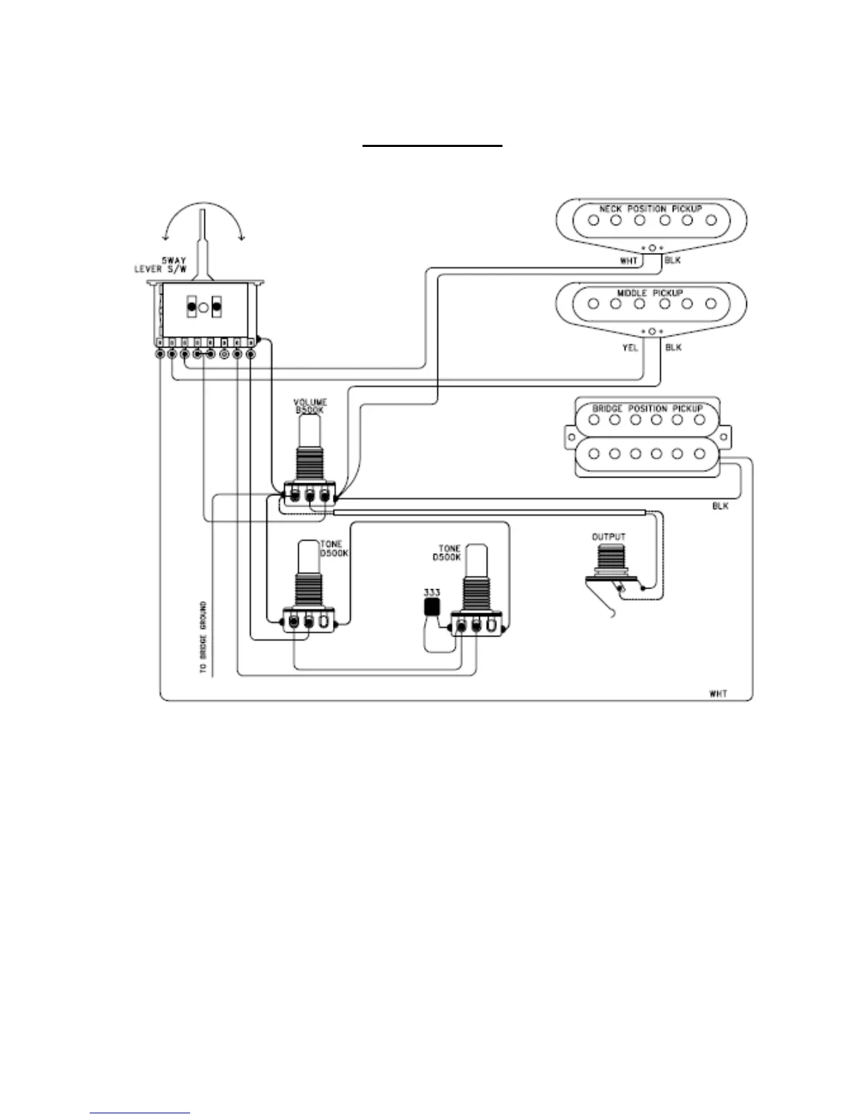
Squier Affinity Strat HSS - Wiring Diagram; Pickup and Control Connections

Squier Affinity Strat HSS
4 pages
Print Icon
To Next Page IconTo Next Page
To Next Page IconTo Next Page
To Previous Page IconTo Previous Page
To Previous Page IconTo Previous Page
Loading...
Wiring Diagram
Last Revision Date: 9/8/2008
Page 3 of 4

Related product manuals