EasyManua.ls Logo

stabo xm 3003 e - Page 11

stabo xm 3003 e
Print Icon
To Next Page IconTo Next Page
To Next Page IconTo Next Page
To Previous Page IconTo Previous Page
To Previous Page IconTo Previous Page
Loading...
11
Senden
Um zu senden, müssen Sie nur die PTT-Taste (push to talk-Taste)
an der linken Seite des Mikrofons drücken und bei gedrückter
Taste mit normaler Lautstärke in das Mikrofon sprechen. Sprechen
Sie nicht zu laut, damit Ihre Stimme bei der Gegenstation natürlich
klingt. Am besten probieren Sie es einmal aus und lassen sich
einen Modulationsbericht geben. Denken Sie aber bitte daran,
dass Sie ohne angeschlossene und angepasste Antenne nicht
senden sollten, da sonst Ihr Funkgerät dabei Schaden nimmt.
Warten Sie einen Moment, bevor Sie zu senden beginnen um zu
hören, ob der Kanal frei ist, damit Sie nicht mit einer anderen
Station doppeln. Denken Sie auch daran, dass der Sender eine
gewisse Zeit braucht, bis er hochfährt, also nicht gleich losreden,
sondern besser eine Sekunde warten.
Leistungsanzeige
Wenn Sie die PTT -Taste am Mikrofon drücken,wird in der Balken-
anzeige anstelle des S-Wertes die relative Ausgangsleistung des
Senders angezeigt. Bei AM werden je nach Modulation mehr oder
weniger LED`s leuchten.
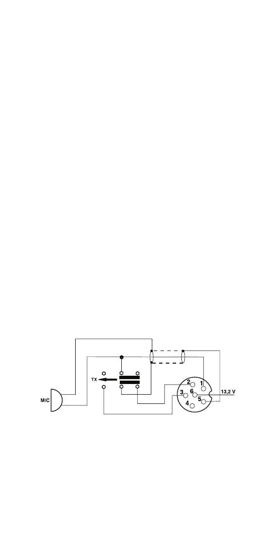
Belegung der Mikrofonbuchse (sechspolig)
1 Modulation
2RX
3TX
4 -
5 Masse
6 Stromversorgung

Related product manuals