EasyManua.ls Logo

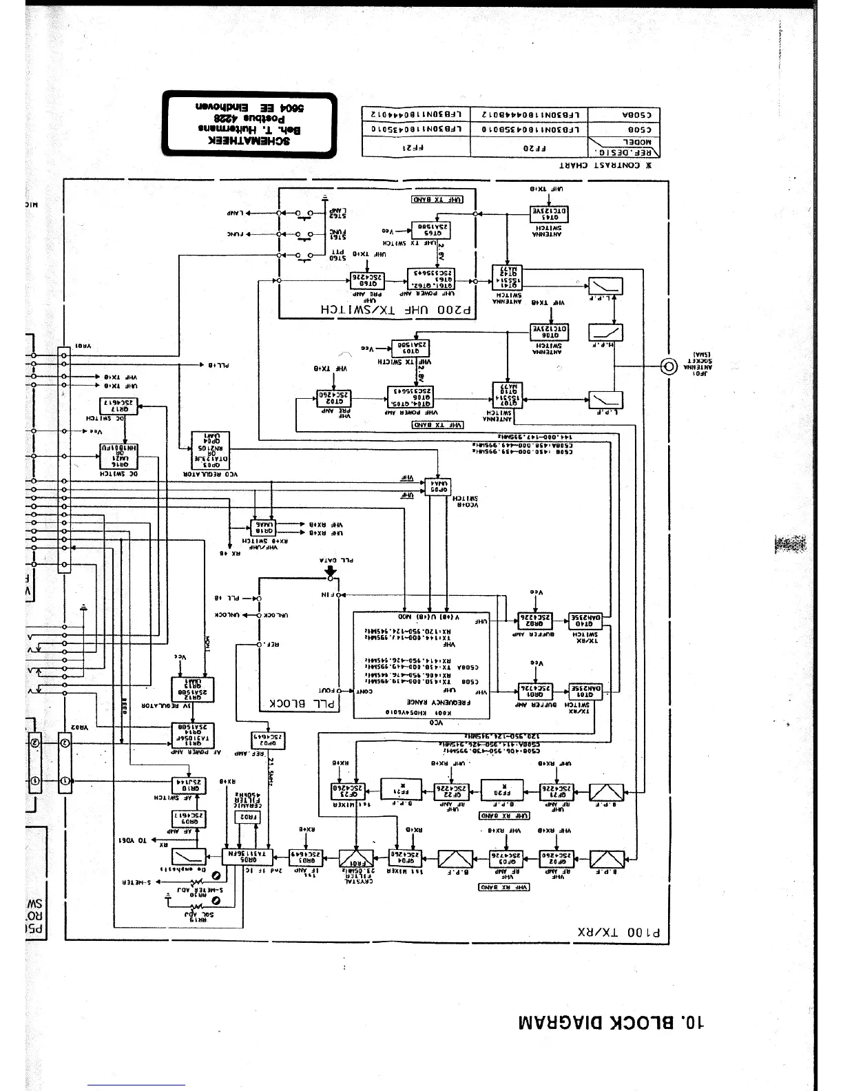
Standart C508 - 10. Block Diagram

Standart C508
47 pages
Print Icon
To Next Page IconTo Next Page
To Next Page IconTo Next Page
To Previous Page IconTo Previous Page
To Previous Page IconTo Previous Page
Loading...