EasyManua.ls Logo

Steiner MD472 - Page 22

Steiner MD472
38 pages
Print Icon
To Next Page IconTo Next Page
To Next Page IconTo Next Page
To Previous Page IconTo Previous Page
To Previous Page IconTo Previous Page
Loading...
20
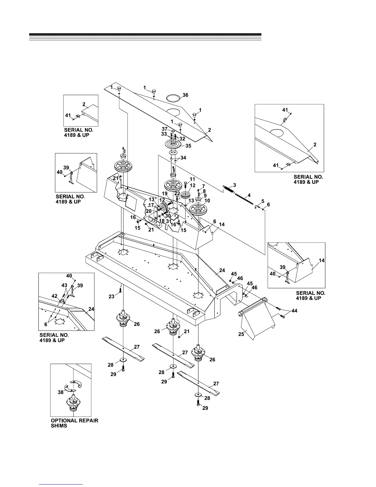
ROTARY
MOWER
FIGURE 2
DECK PARTS 60"

Related product manuals