EasyManua.ls Logo

Steiner MD472 - Page 26

Steiner MD472
38 pages
Print Icon
To Next Page IconTo Next Page
To Next Page IconTo Next Page
To Previous Page IconTo Previous Page
To Previous Page IconTo Previous Page
Loading...
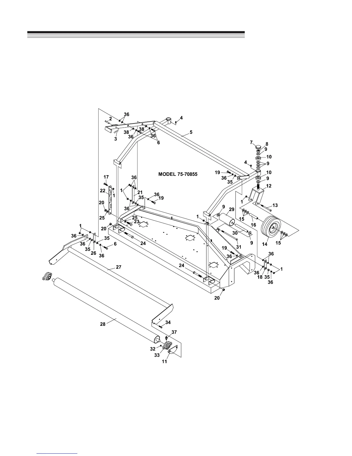
24
ROTARY
MOWER
FRAME PARTS 48"
FIGURE 4

Related product manuals