EasyManua.ls Logo

Stels 850 GUEPARD - Page 114

Stels 850 GUEPARD
126 pages
Print Icon
To Next Page IconTo Next Page
To Next Page IconTo Next Page
To Previous Page IconTo Previous Page
To Previous Page IconTo Previous Page
Loading...
112
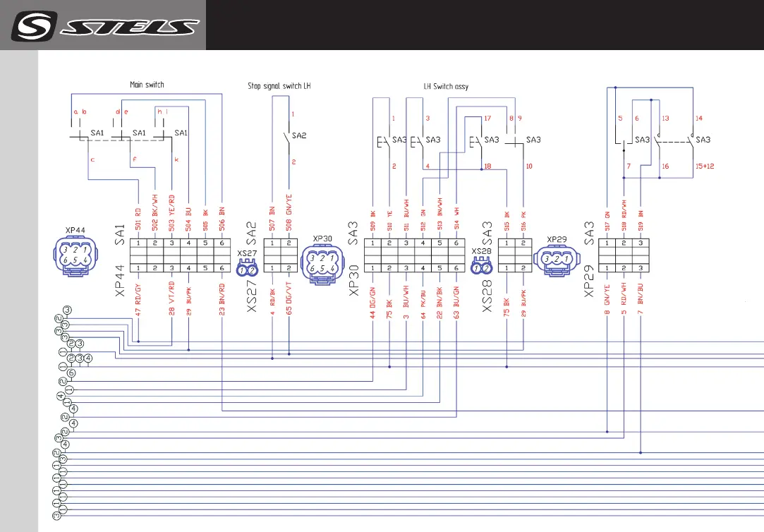
650/800/850 GUEPARD
ELECTRIC CIRCUIT CONTROL
manufacture website : stelsoffroad.com
Electric circuit

Related product manuals