EasyManua.ls Logo

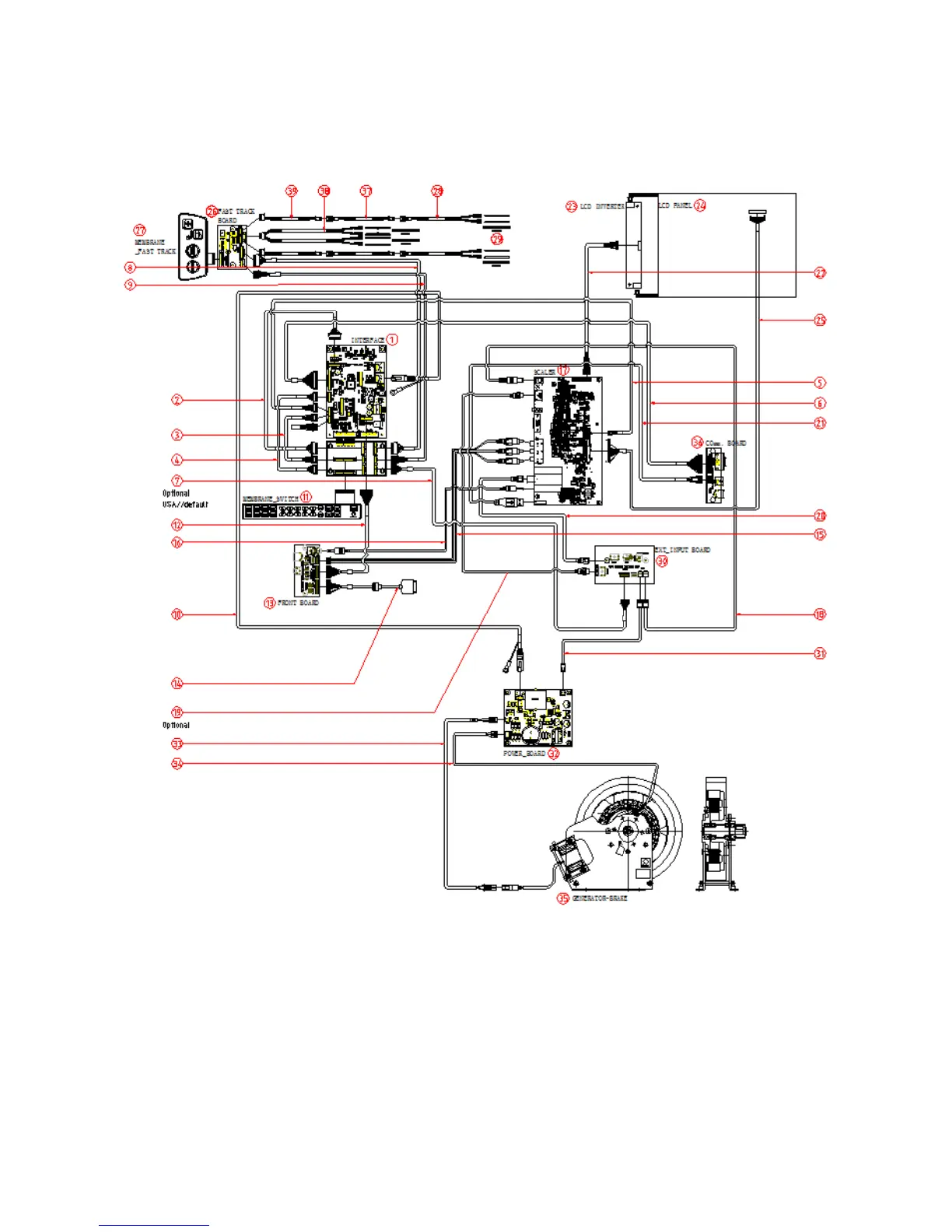
stex S25E - 3-20 Circuit Diagram - S25 EX

stex S25E
38 pages
Print Icon
To Next Page IconTo Next Page
To Next Page IconTo Next Page
To Previous Page IconTo Previous Page
To Previous Page IconTo Previous Page
Loading...
< 24 >
3-20 Circuit Diagram S25EX