EasyManua.ls Logo

STUDER REVOX C278 - Page 37

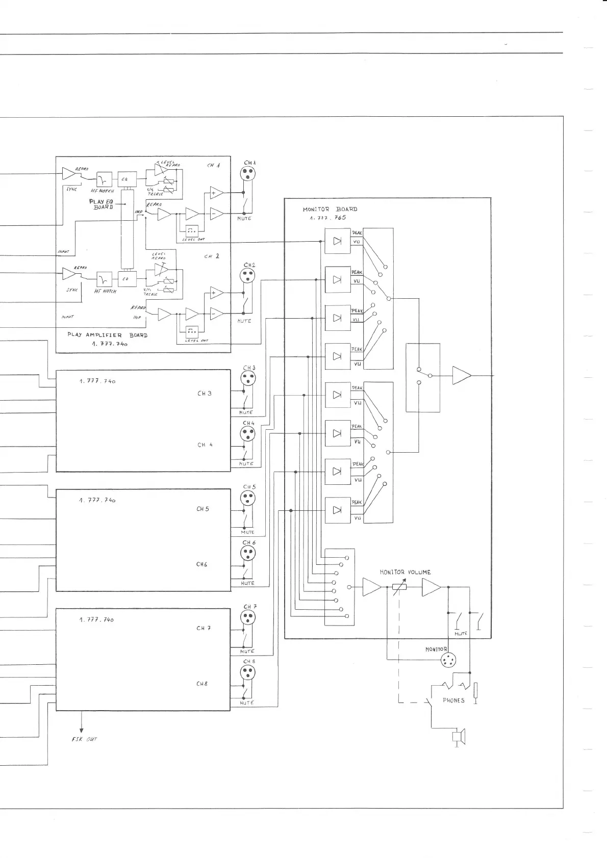
STUDER REVOX C278
Print Icon
To Next Page IconTo Next Page
To Next Page IconTo Next Page
To Previous Page IconTo Previous Page
To Previous Page IconTo Previous Page
Loading...
MONITOR
BOARN
A. 117 .
765
PLA'
AMFLIFI
EN
BOARI
4. 117. ]4o
1.777 ?46
4. 777
.74o
1.777
.7+o

Related product manuals