EasyManua.ls Logo

Subaru IMPREZA 2001 - Page 17

Subaru IMPREZA 2001
189 pages
Print Icon
To Next Page IconTo Next Page
To Next Page IconTo Next Page
To Previous Page IconTo Previous Page
To Previous Page IconTo Previous Page
Loading...
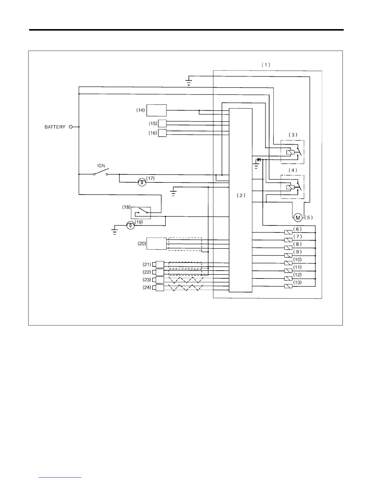
ABS-16
ABS (DIAGNOSTICS)
CONTROL MODULE I/O SIGNAL
B: SCHEMATIC
B4M2226
(1) ABS control module and hydraulic
control unit (ABSCM&H/U)
(9) Front right outlet solenoid valve (17) ABS warning light
(10) Rear left inlet solenoid valve (18) Stop light switch
(2) ABS control module area (11) Rear left outlet solenoid valve (19) Stop light
(3) Valve relay (12) Rear right inlet solenoid valve (20) G sensor
(4) Motor relay (13) Rear right outlet solenoid valve (21) Front left ABS sensor
(5) Motor (14) Transmission control module (only
AT model )
(22) Front right ABS sensor
(6) Front left inlet solenoid valve (23) Rear left ABS sensor
(7) Front left outlet solenoid valve (15) Diagnosis connector (24) Rear right ABS sensor
(8) Front right inlet solenoid valve (16) Data link connector

Related product manuals