EasyManua.ls Logo

Subzero ZA240 - Overview; Front Panel Controls; Speaker Zone Selector Buttons

Subzero ZA240
14 pages
Print Icon
To Next Page IconTo Next Page
To Next Page IconTo Next Page
To Previous Page IconTo Previous Page
To Previous Page IconTo Previous Page
Loading...
4
SZ-ZA240 100V LINE ZONE AMPLIFIER
REP EATFOLDERMODE
0
–5
–10
–15
–20
ON
MASTER
MIC 1
IRSD
100
MIC 2
100
MIC /LINE 1
100
MIC /LINE 2
100
LINE 3
100
LINE 4 /USB
100
BASS
ZONE 1 ZONE 2 ZONE 3 ZONE 4 ALL
10–10
TREBLE
10–10
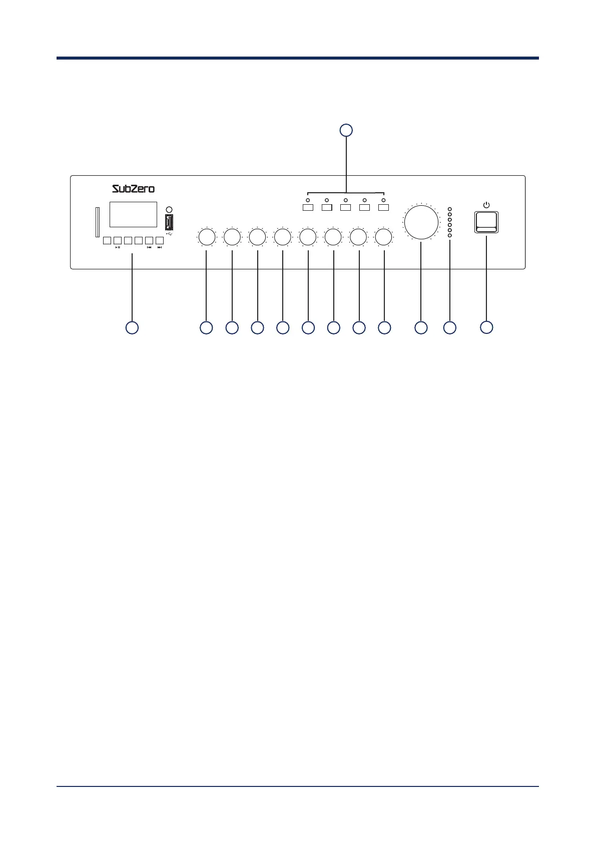
OVERVIEW
FRONT PANEL
1. MEDIA PLAYER
Media Player with USB/SD/Bluetooth (see Media
Player section below).
2. MIC 1
Increases or decreases the volume of MIC 1
input.
3. MIC 2
Increases or decreases the volume of MIC 2
input.
4. MIC / LINE 1
Increases or decreases the volume of MIC / LINE
1 inputs.
5. MIC / LINE 2
Increases or decreases the volume of MIC / LINE
2 inputs.
6. LINE 3
Increases or decreases the volume of LINE 3
input.
7. LINE 4 / USB
Increases or decreases the volume of LINE 4 /
USB input.
1 2 3 4 5 6 7 8
13
9 10 11
12
8. BASS EQ CONTROL
Increases or decreases the amount of the low/
bass frequencies by 10dB.
9. TREBLE EQ CONTROL
Increases or decreases the amount of the high/
treble frequencies by 10dB.
10. MASTER VOLUME CONTROL
Increases or decreases the master output
volume.
11. OUTPUT LEVEL METER
Visual display of the output volume.
12. POWER ON/OFF SWITCH
Turns the amplifier on or off.
13. SPEAKER ZONE SELECTOR BUTTONS
(SZ-ZA240 Only)
Selects which zones are active. Pressed in = On,
pressed out = Off.

Related product manuals