EasyManua.ls Logo

Sullair ES-8-25H - 10.5 Inlet Filter, Housing;Sump Parts- Standard

Sullair ES-8-25H
86 pages
To Next Page IconTo Next Page
To Next Page IconTo Next Page
To Previous Page IconTo Previous Page
To Previous Page IconTo Previous Page
Loading...
Section 10
ILLUSTRATIONS AND PARTS LIST
38
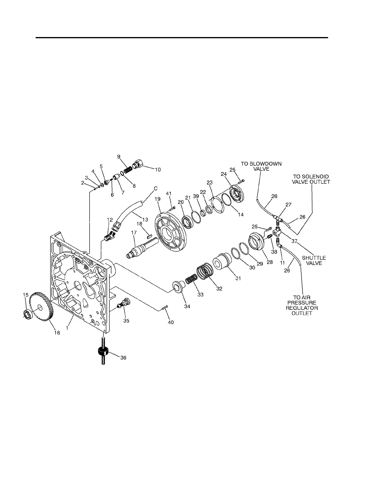
10.3 INLET CONTROL, SEAL/DRIVE GEAR AND PARTS

Table of Contents

Related product manuals