EasyManua.ls Logo

Sullair RH-0035-115-60-A - Wiring Diagrams RD400 (230 V Alternate)

Sullair RH-0035-115-60-A
268 pages
To Next Page IconTo Next Page
To Next Page IconTo Next Page
To Previous Page IconTo Previous Page
To Previous Page IconTo Previous Page
Loading...
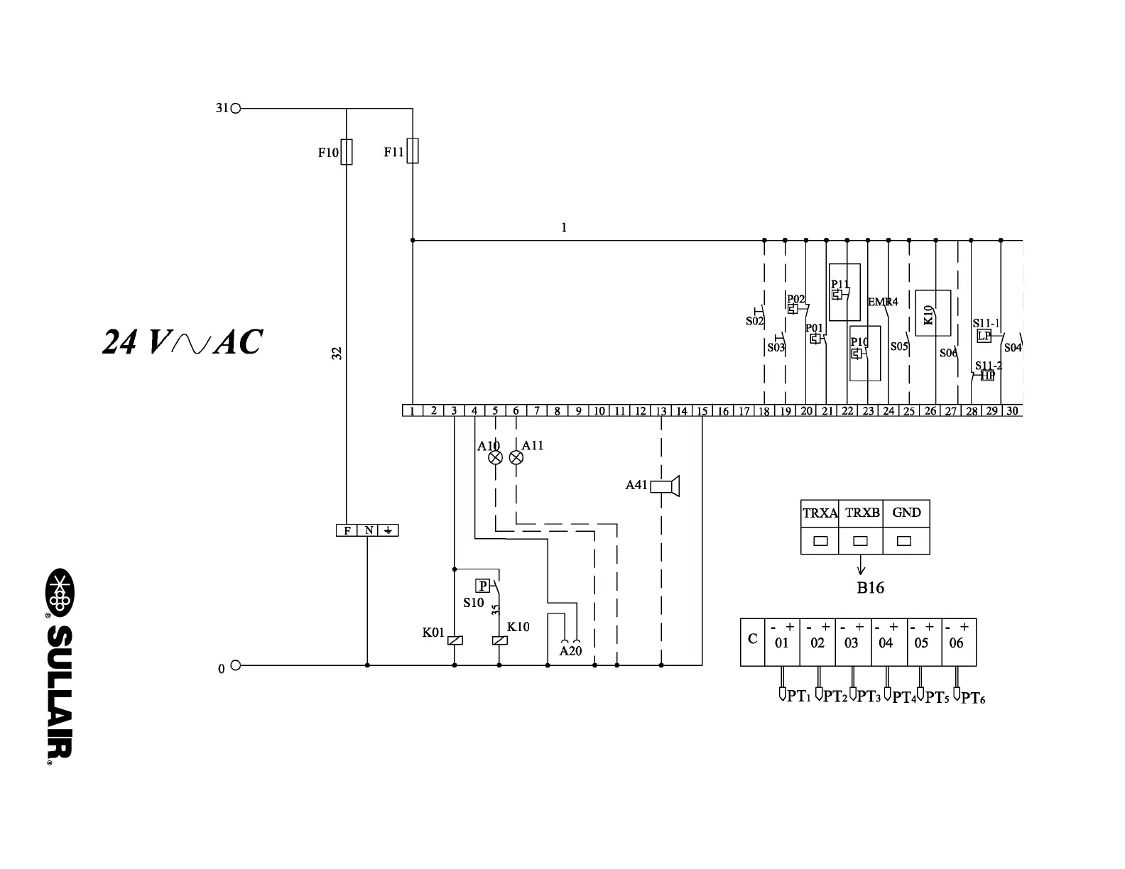
E-680 CONTROLLER FOR REFRIGERANT DRYERS SECTION 4
230
4.35 WIRING DIAGRAM—RD400 (230-3-60-A)
02250195-313-2

Table of Contents

Related product manuals