EasyManua.ls Logo

SUNWIND RMF013 - Page 4

SUNWIND RMF013
Print Icon
To Next Page IconTo Next Page
To Next Page IconTo Next Page
To Previous Page IconTo Previous Page
To Previous Page IconTo Previous Page
Loading...
4
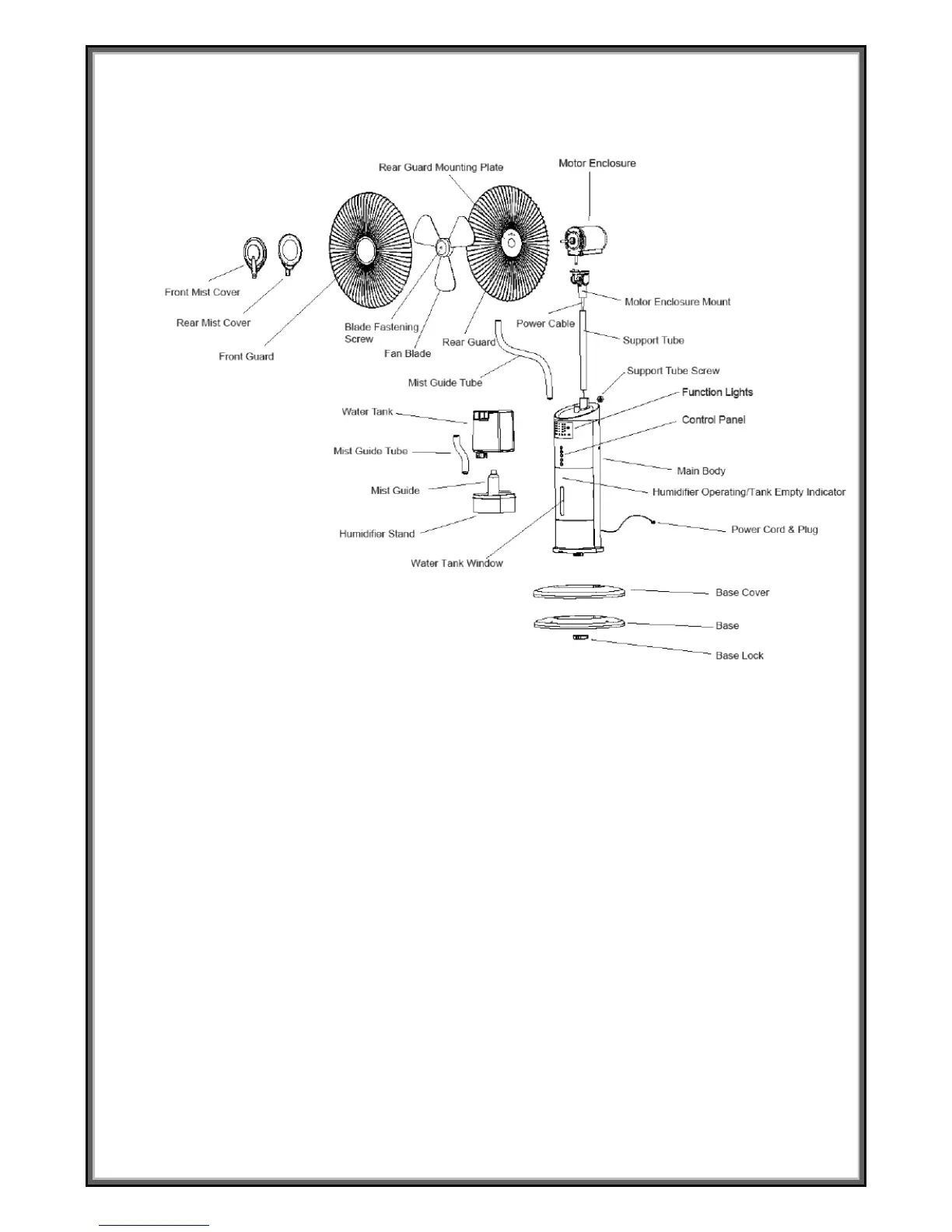
Apparates deler
Montering:
1. trinn: Monter ”Base” dekselet og ”Base lock”. Monter deretter
hjulene.
2. trinn: Plasser ”Support tube” til hoveddelen. Fest deretter
denne med skruen.
3. trinn: Monter Hoveddel til ”Base” og lås den med mutter.
4. trinn: Sett sammen bakre beskyttlese til selve viften. Lås denne
med mutter.
5. trinn: Sett vifteblad til motordelen og fest denne med skruen.
Skru til mot klokken.
6. trinn: Monter på fremre beskyttlse. Denne klemmes sammen
med bakdelen. Litt kraft vil være nødvendig.
7. trinn: Sett ”mist tube” som er slangen for forstøvet vann
sammen med ”mist cover”.