EasyManua.ls Logo

Super Star 4900B - IC-10 78 L05 AND IC-11 KIA7217 AP

Super Star 4900B
63 pages
Print Icon
To Next Page IconTo Next Page
To Next Page IconTo Next Page
To Previous Page IconTo Previous Page
To Previous Page IconTo Previous Page
Loading...
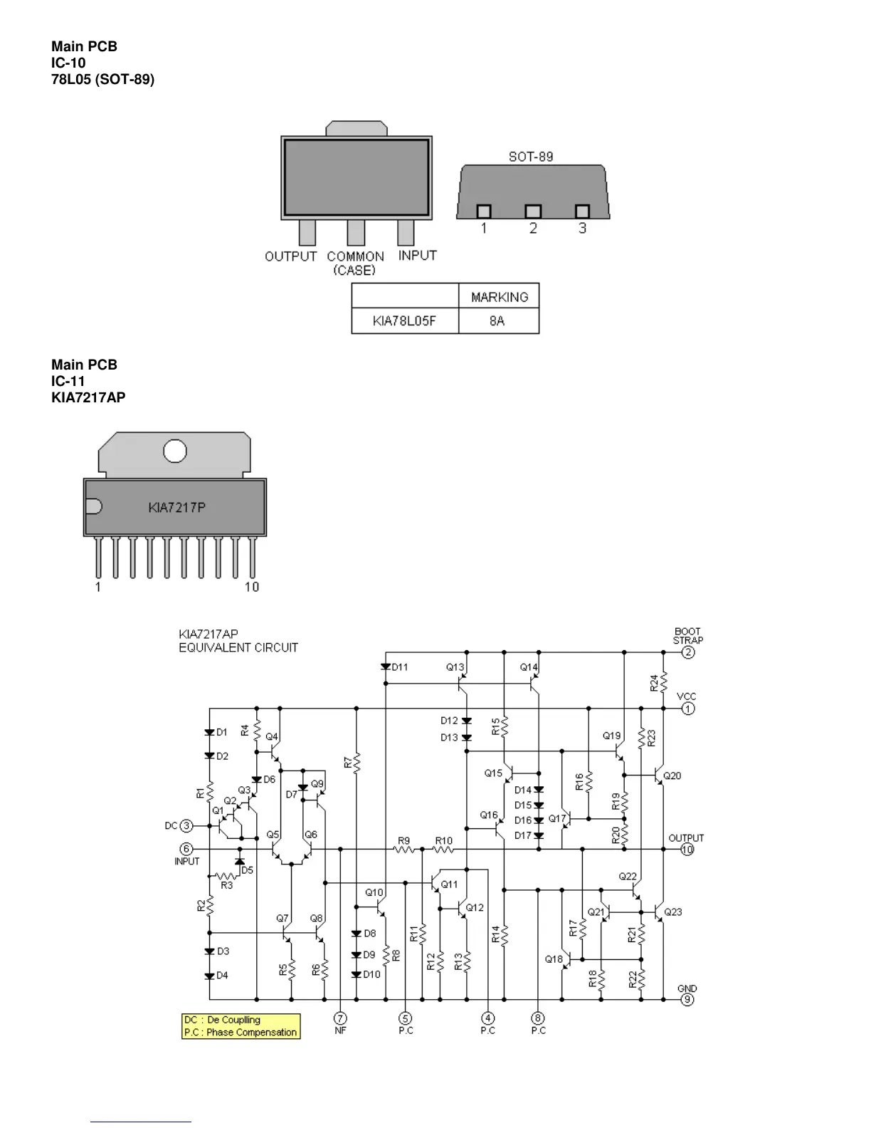
Main PCB
IC-10
78L05 (SOT-89)
Main PCB
IC-11
KIA7217AP