EasyManua.ls Logo

Super Star 4900B - Page 5

Super Star 4900B
63 pages
Print Icon
To Next Page IconTo Next Page
To Next Page IconTo Next Page
To Previous Page IconTo Previous Page
To Previous Page IconTo Previous Page
Loading...
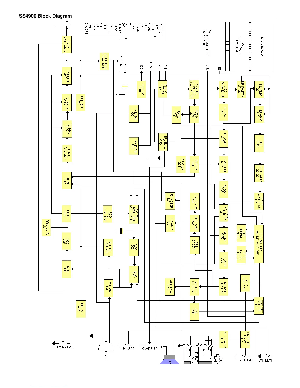
SS4900 Block Diagram

Related product manuals