EasyManua.ls Logo

Suzhou Monarch Control Technology NICE 3000 - Page 168

Suzhou Monarch Control Technology NICE 3000
183 pages
Print Icon
To Next Page IconTo Next Page
To Next Page IconTo Next Page
To Previous Page IconTo Previous Page
To Previous Page IconTo Previous Page
Loading...
System typical application and adjustment NICE3000 User Manual
168
7.5.2 Parallel wiring sketch
C
N
3
C
N
7
888
MCTC-MCB-
A
2
4
V
C
O
M
M
O
D
+
M
O
D
-
C
A
N
+
C
A
N
-
Y
1
M
1
Y
2
M
2
Y
3
M
3
Y
4
M
4
Y
5
M
5
Y
6
M
6
C
N
3
C
N
7
888
MCTC-MCB-
A
2
4
V
C
O
M
M
O
D
+
M
O
D
-
C
A
N
+
C
A
N
-
Y
1
M
1
Y
2
M
2
Y
3
M
3
Y
4
M
4
Y
5
M
5
Y
6
M
6
C
A
N
+
C
A
N
-
MCTC-CTB-
A
CN2
C
A
N
+
C
A
N
-
MCTC-CTB-
A
CN2
CN1
J
P
3
J
P
4
M
O
D
+
M
O
D
-
MCTC-HCB-*
hall call
M
O
D
+
M
O
D
-
CN1
J
P
3
J
P
4
MCTC-HCB-
*
top car
communacation
hall call
top car
communacation
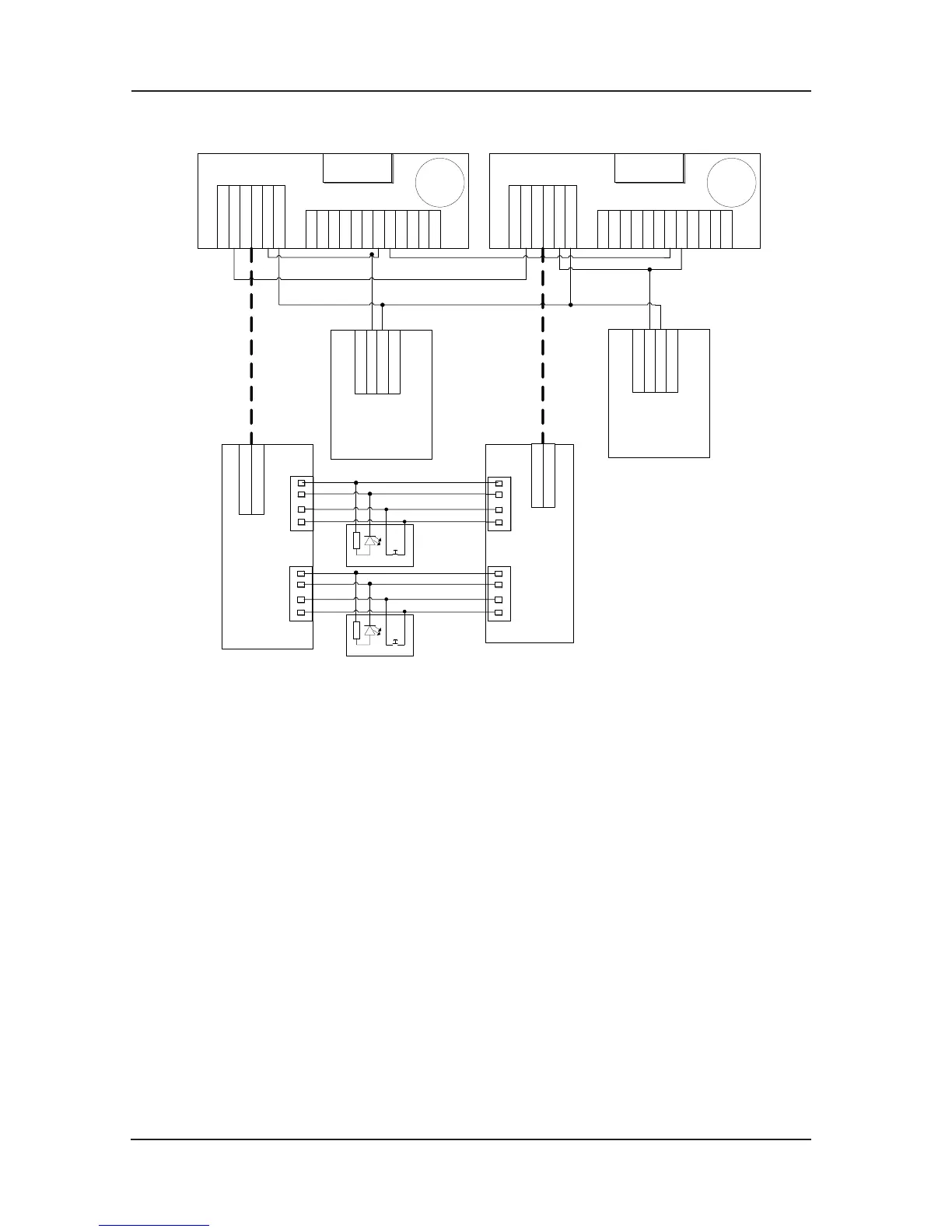
Fig 7-8 Parallel wiring
The chart shows the wiring mode of external call button and the wiring mode of parallel CAN
communication. When in using, the following items should be paid attention to:
Car top board dial setting1)
In parallel, the car top boards dial switch of the main lift with the number 1 is the same with
its used in single lift, which means the rst bit of Sw1 is on OFF position; the
car top boards
dial switch of the subordinate lift with the number 2, Sw1s rst bit should be setting on ON
position; otherwise it will cause the abnormal data communication of the lifts car top.
CAN communication nets terminal resistance disposal2)
In parallel, the communication terminal resistances dial of two lifts car top control board
need to be switched to the ON position. The J5 on t
he main control board chooses not to
connect the terminal resistance (to connect the two pins above, when the small keyboard is on
the top, the method is not suitable for the VER A, VER B, VER C edition).In this way, theres
terminal resistance only in the terminal car top board in CAN communication net.
Main control board relay output setting3)
In the above chart, the two lifts CAN+ of the CAN co
mmunication wiring is trans-connected
through the Y4-M4 on the main control board, which conrms the two lifts wont affect each
other when the power is broken or other abnormal condition occurs. Therefore the following

Table of Contents

Related product manuals