EasyManua.ls Logo

Taco 0010-MSF-IFC - Page 2

Taco 0010-MSF-IFC
4 pages
Print Icon
To Next Page IconTo Next Page
To Next Page IconTo Next Page
To Previous Page IconTo Previous Page
To Previous Page IconTo Previous Page
Loading...
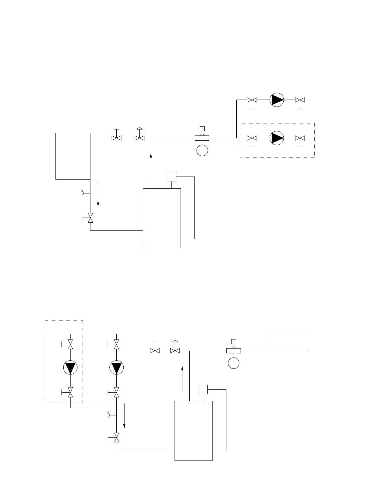
BOILER
FF
EXPANSION
TANK
ZONE 1ZONE 2
Z
ONE 1
Z
ONE 2
V2
V2
V3
V3
V1
PV4
FIGURE 1:
P
REFERRED PIPING
F
OR CIRCULATORS
O
N BOILER SUPPLY LINE
P
P
BOILER
FF
EXPANSION
TANK
ZONE 1
ZONE 2
V1
PV4
FIGURE 2:
ALTERNATE
PIPING
FOR CIRCULATORS
ON BOILER RETURN LINE
ZONE 1ZONE 2
V2V2
V3V3
PP
KEY:
VI, V2, V3 = SHUT-OFF ISOLATION VALVE
P = TACO IFC CIRCULATOR
FF = FAST FILL BOILER FEED VALVE
PV4 = PURGE VALVE
RECOMMENDED PURGING STEPS:
1. CLOSE V1, PV4, V2
2. OPEN V3
3. OPEN FF VALVE
4. OPEN V2, PV4, TO PURGE ZONE 1
5. CLOSE FF VALVE
6. CLOSE V2, PV4
7. REPEAT STEPS 1 TO 6 FOR EACH
ADDITIONAL ZONE
8. OPEN V1 WHEN ALL ZONES ARE
PURGED
9. ADJUST SYSTEM TO DESIRED
OPERATING FILL PRESSURE IF
REQUIRED
5. Fill system with tap water – The system must be filled before operating the circulator. The bearings are water lubricat-
ed and should not be allowed to operate dry. Filling the system will result in immediate lubrication of the bearings. It is
always good practice to flush a new system of foreign matter before starting the circulator.
6. Circulator operation – Operate the circulator for 5 minutes immediately after flushing the system to purge remaining air
f
rom the bearing chamber. This is especially important when installing the circulator during the off-season.
7. Turn speed dial on circulator to the desired speed and performance range. See Figure 3.

Related product manuals