EasyManua.ls Logo

TAKIMA tools TKJS-85 - Page 13

Default Icon
Print Icon
To Next Page IconTo Next Page
To Next Page IconTo Next Page
To Previous Page IconTo Previous Page
To Previous Page IconTo Previous Page
Loading...
12
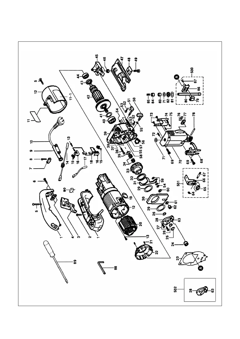
Despiece
Modelo: TKJS-85