EasyManua.ls Logo

Tamiya ACU-02 - Page 2

Tamiya ACU-02
10 pages
Print Icon
To Next Page IconTo Next Page
To Next Page IconTo Next Page
To Previous Page IconTo Previous Page
To Previous Page IconTo Previous Page
Loading...
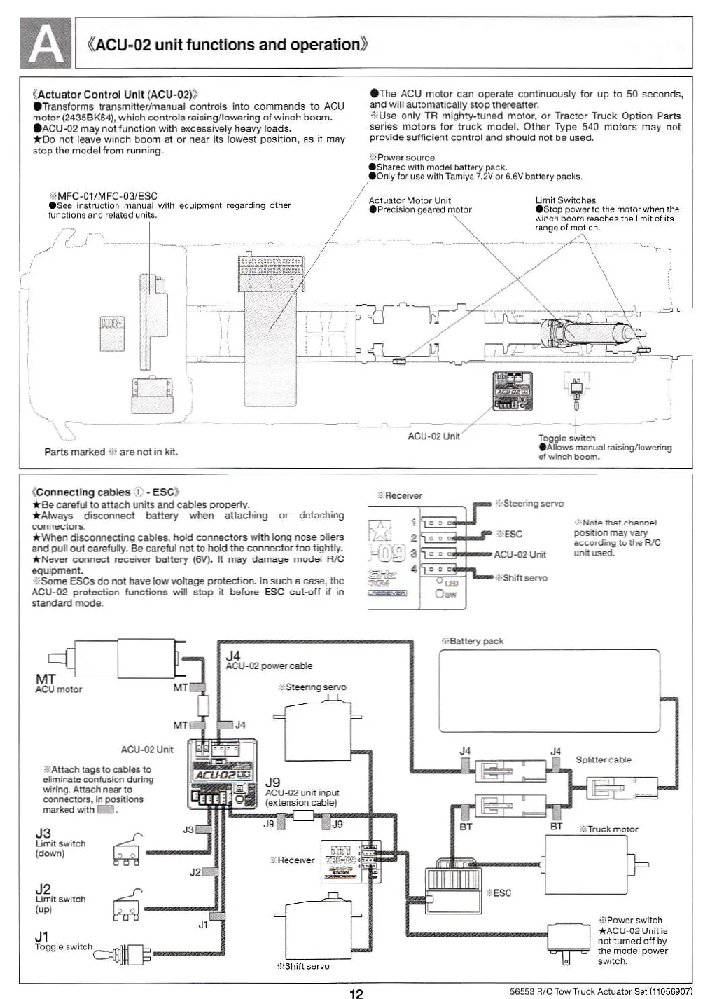
(ACU-02
unit
tunctions and operalion)
(Actuäior
contrel Unli
(ACU-02»
ansdohs rr.nsih€r/m.nu.r conrrok into comm ds to AcU
molor
(24358K64),
whlch conrrol3
aßinqr'bmn,q ot winch b@m.
aacu.o2
fr6y nol fun.llon wlth .ice* ery
heay roäds.
*Oo nol leBv. w nch boom al or n6ar ils lowe§
positio.,
as
il mäy
§lop lhemod.l rom running.
arhe
AcU molor
c.. opersl€
cont'nuoßly ror up 50 s6onds,
3nd vill
.uromailcally 6top thoßa(oi
-\Us6
only
IA
mbhlyn(n.d molor, or Tr.cror Truc* Oplion Pärrs
serias nölo/s
lör tru6k hod6l, oth.r Type 540 horors may not
povid.sutliciBnt.onlrol.nd
6hou d nol be !eed.
asha,& wdh möd.r bat.d öe.k
aon vro,uswilh
lrm
va
i2vor6
6Vb.n.ivoad3
43..
iidrucrioA maiu.
asroppow.rrorhendörwhanrhe
Part§ ma(ed
.i.
a€
not in kit
ffiff'
aarb$
mlnd lä6sno6ns
(contrellng
..h16
:1:
-
ESc)
*8. cartutlo.ri.dr lnits ebr6
p@pe y.
*Ahrays dismn*r b.fiery uth anehins
or
detaching
*Wh6
di@@dne cabl€,
holr, connecrG with lqlg re
plim
edpl orn @6tully. B. cdetul nor to hou liE @n4td
16 riqhty.
*N€6
con@l
Eeis b.tlery
(5v).
h may danase
m{rel
tuC
*s6.
Escs do mr he low votaqE
potectim.
rn *h a *. nE
ACU-02
potdiion
tunclil»s will srop ir ber@
Esc dn-ofi i, in
MT
rcu-02 unit
-.L
H
-2
H
BT
J3
J,1
ros§.swtoh.__!4]
12
56553 B/c row rruck acruäror ser
hi
056e07)