EasyManua.ls Logo

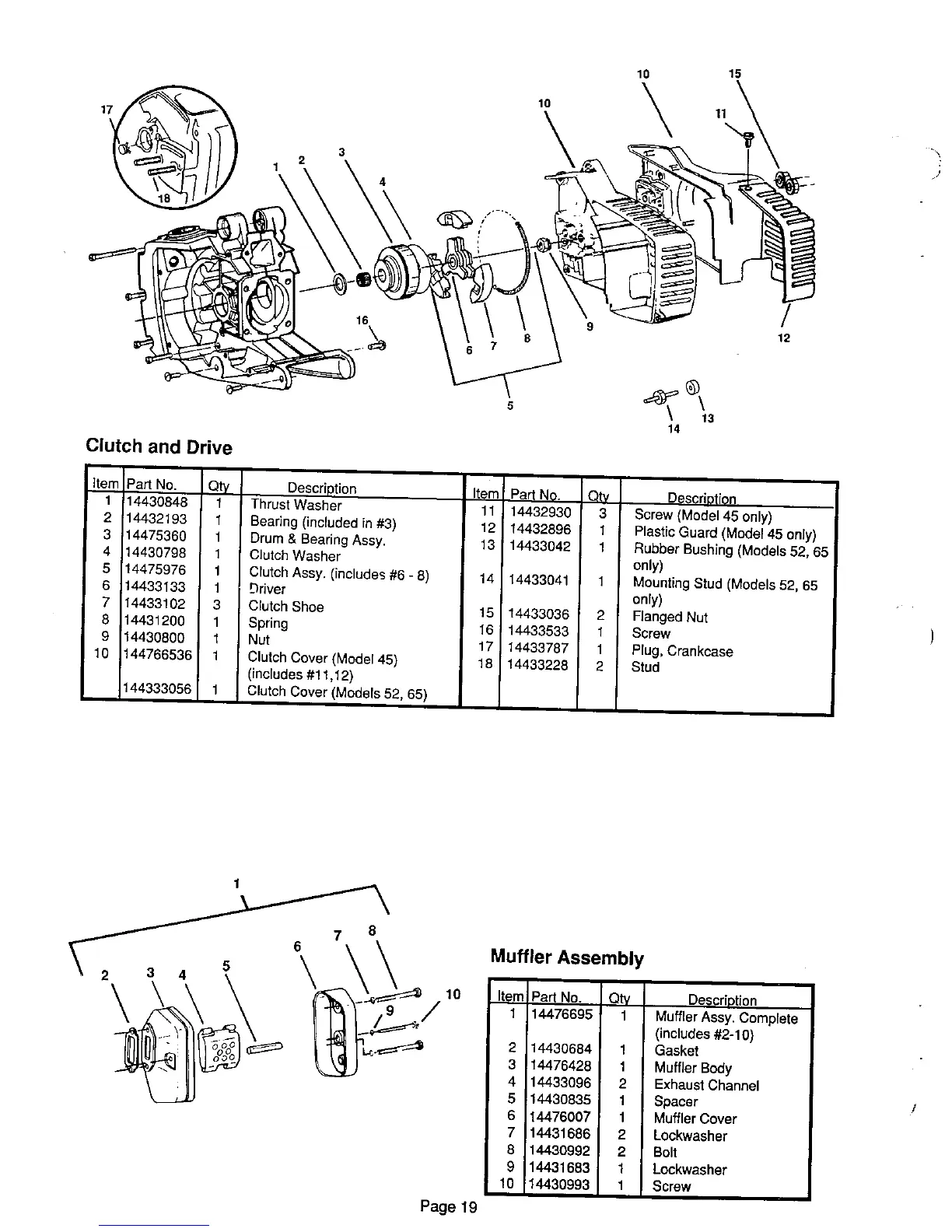
Target Quickie 65/14 - Clutch and Drive; Muffler Assembly

Target Quickie 65/14
21 pages
Print Icon
To Next Page IconTo Next Page
To Next Page IconTo Next Page
To Previous Page IconTo Previous Page
To Previous Page IconTo Previous Page
Loading...

Related product manuals