EasyManua.ls Logo

Teac C-3RX - Page 42

Teac C-3RX
44 pages
Print Icon
To Next Page IconTo Next Page
To Next Page IconTo Next Page
To Previous Page IconTo Previous Page
To Previous Page IconTo Previous Page
Loading...
eee
ss
é =
zs
:
é
2
R/P
&
CONT.
PCB
(1/2)
Hy
2
on
oom
4
af
Ren
R
tone:
375)
+
IN/OUTPUT.
Lpce
(2)
2,
3
BN
ps
7
:
25
of
ch
‘eae
132
e2v
sv
s
Ris
10oK(6)
F
20k)
OUTPUT
of
ausose
cis
(altho
|
A
i
iy
ca
2
RS!
|
cee
slooy
(Of
1
ge
PHONES.
6
39
|
a9nov
ci
Peis"
200816)
ay
Ce)
a)
arr
U)
"ii
re
[ptea
are
ea
AS
arf
6av
ose,
%
POWER
SUPPLY
PCB
6
gs
kgug,
oO
OmEY
Seo]
He
Fixe
TSR
Fey
|
anSI88
R33
rg
#
7
Siger
“ov
‘Gov
3.93
[aor
ronev
A
x
x
ERASE
HEAD
v
Ren
[
=
POWER
MUTE.
POWER
SUPPLY
PCB
4
is
BIAS7REC,
3
“ALIBRATION|
Wie
a7
ss,
srs_
2,
nso
;
Se
s7sel
PRE-SET
Soke)
REC
LEVEL.
Ertan
:
C2ovust
|
by
seg
Dt
SuPtaa.
9
a
wie
of
aA
3
ot
Bg
Tae
_RIS8
We
47/550
Se
ees
Hoe
[Y
rico
=
ed
oss
‘L104
phate
ne
-
=
7
vee
muse
|
~qio7
|
Suovounr
aie
22x
2)
jana
aus
RECnsY
wow
fase:
eee
f
NOB.
la
pp
kia
Tot
2
aE”
R/P@
CONT.
PCB
16
st
race
hae
a
ida
:
p
f
ap”
Bl
son
e
Qt
Fs
|
=
H
(|
eaw
meren
cia
cise:
a4
ae
iyo
woe
2eeNTerreu
:
2
ah
A
tens]
eT
a,
|
,
ee
2,
=e
POWER
SUPPLY
PCB
IS
oe
re
Y
=
“a
ov
£(S1G)
7
Bee
=
POWER
SUPPLY
PCB
15,
Bian
2
23,
sional,
—+7
on
POWER
SUPPLY
PCB
I7
B88
caoones
Sse
thecr
lee
ma
ee
wl
O
seed
[NoRMat
|
cotcroa
|
METAL
¥
i
jalio
F82k
7,6
lona
Fisk
Ree
7
ron
Fsese8
25.60
[52308
a
seem
|
vteya_
|
reese
|
1eaue
r
Or
[onl
fi
re
Tsn2e8
{56508
[22.600
2
eee
tea)
en/8)
to7ua
|
téwa
|
1e0ua
int
wae
Rist
JREC)~3.3V.
100k
(PLAYI“U.8V
au
ans
|
re)
Ly
.
RSS.
us
5
_
=
in|
SER
98
ae
lousy
mute
265
20
_
C381
0.012/00¥
Ginina
We
ee
sae
et
ano
301
feos
pa0s
68
case
ooienoov|
Sm
es
23664)
4k
+
L..
—————-
=
al
sr
82
_¢353_9.01100V]
(BEE
pauge)v
We
Ht
12.5.
ae
1
|
we
Jue
sz-2uy
ADJUST.
2
R35
BIAS.
=
otowst__
1
|
25048)
Ic
AL
IBRATION|
Rasa
«Tk
i—
eral
3
oss
lecor
R361
Sex
addaenoov
ozs
ot
|
ie
j
LwoRMal
"
36-216)
BIAS
SW
PCB_
4
SEMICONDUCTORS
(
):Reh
R/P
&
CONT.
PCB
‘LEVER
SW
PCB
viol
(W200
Ness
uso!
(uso
Nesese
.
une
LASI7O
08
uns
o2c
a301
(oc01)
2scisaais)
a
iOS.
45580F
9302
(9402)
2sci684(S)
10
(az0n)
zscieas
(1
ai02.
faz0a)
2sci327
(7
‘103
(9205)
250655
(=)
Gioa
(0208
25ci636
(2)
ies
(@205)
25327
(7)
‘MIC
AMPL.PCB
e108
(e206)
zsci6ae
(5)
ioe:
faaoen
"ciess
a310
(@aio)
2scieaeir1
‘108
(9208)
25c1636
(2)
:
‘109
(9208)
25c1657
(1)
ano
BASsLN(S)
arr
sr
rteccetls
ont
gscises.(s)
tonev
ov
one
BSAS3SUNI)
:
sta
|
haat
tans
2scieea
(S)
ane
25c2060
(R}
ans
ascieests)
aus
(0216)
25068516)
ar
(zi)
ascieadts)
“|
LEVER
SW
PCB
z
aiia
(0218)
2sA933.N(S)
=I
1
DIO!
(0201)
EQAOI-I3R
Dige
(8202)
S247SH0
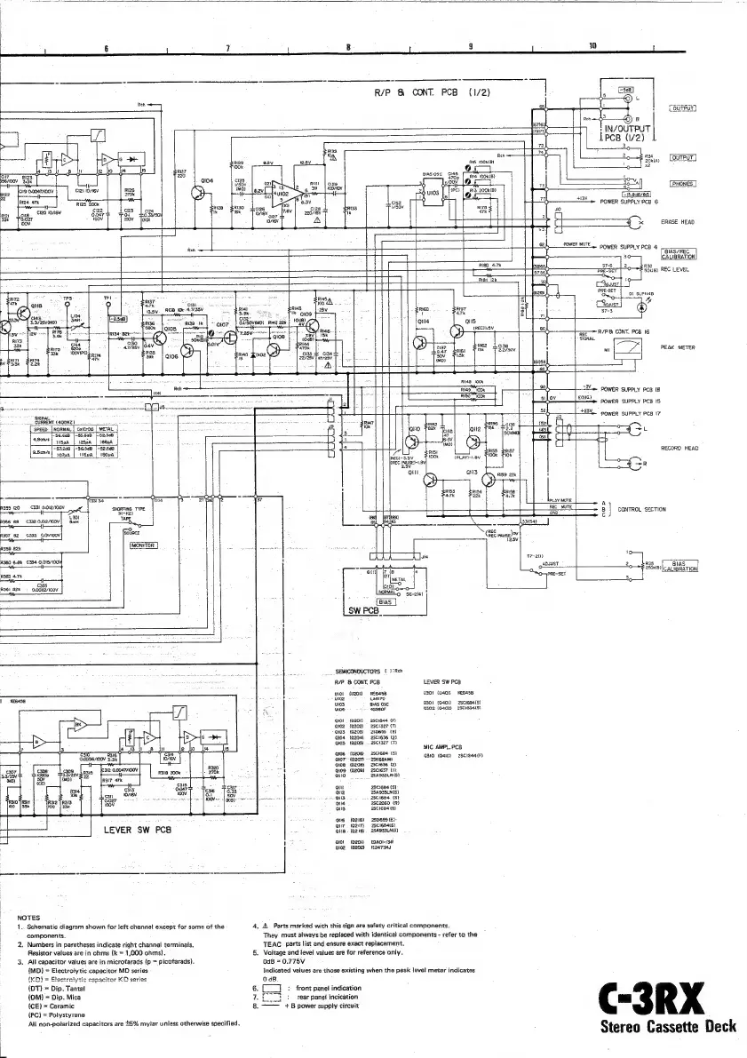
NOTES
1.
Schematic
diagram
shown
for
left
channel
except
for
some
of
the
4,
A
Parts
marked
with
this
sign
are
safety
critical
components.
components.
They
must
always
be
replaced
with
identical
components
-
refer
to
the
2.
Numbers
in
paretheses
indicate
right
channel
terminals.
TEAC
parts
list
and
ensure
exact
replacement.
Resistor
values
are
in
ohms
(k
=
1,000
ohms).
6.
Voltage
and
level
values
are
for
reference
only.
3.
All
capacitor
values
are
in
microfarads
(p
=
picofarads).
0B
=
0.775V
(MD)
=
Electrolytic
capacitor
MD
series
Indicated
values
are
those
existing
when
the
peak
level
meter
indicates
(KD)
=
Electrolytic
capacitor
KD
series
Odi
(DT)
=
Dip,
Tantal
(DM)
=
Dip.
Mica
:
front
panel
indication
2
rear
panel
incication
a
+B
power
supply
circuit
(PC)
=
Polystyrene
(CE)
=
Ceramic
All
non-polarized
capacitors
are
45%
mylar
unless
otherwise
specified.
S
t!
ereo
Cassette
Deck