EasyManua.ls Logo

Teac MC-DX15 - Page 27

Teac MC-DX15
27 pages
Print Icon
To Previous Page IconTo Previous Page
To Previous Page IconTo Previous Page
Loading...
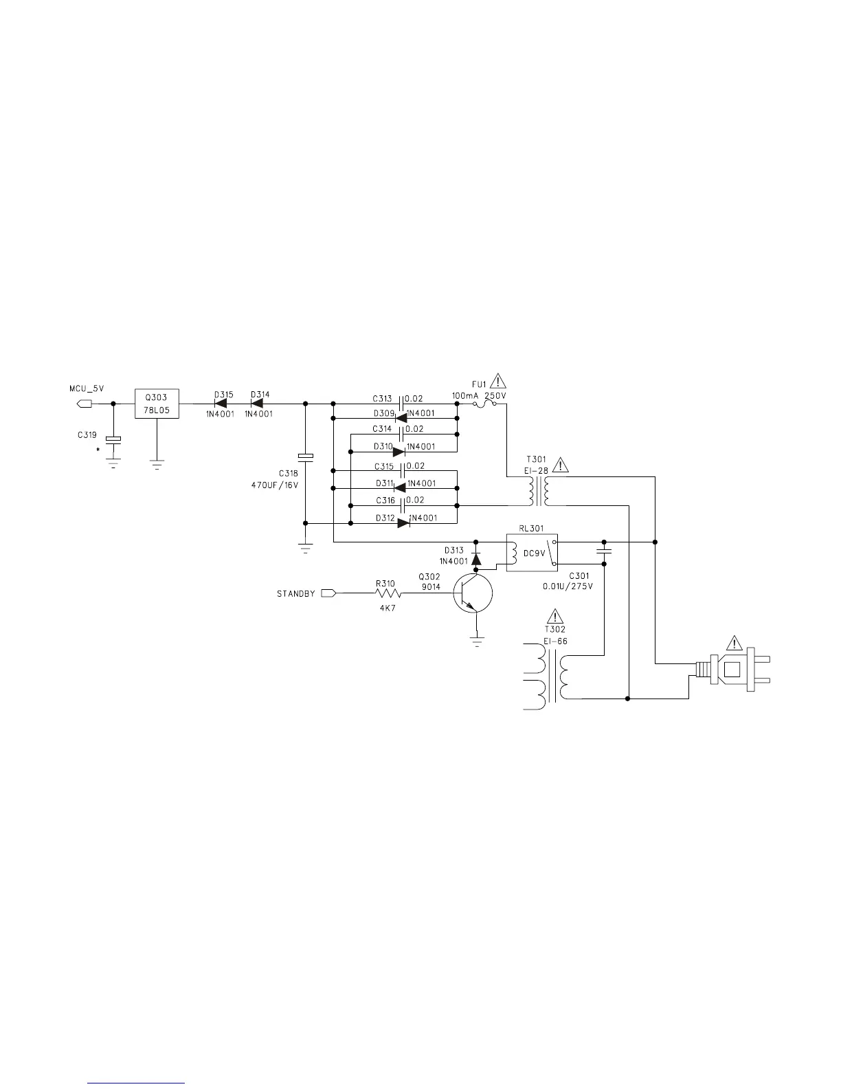
MICRO HI-FI SYSTEM
MC-DX15/20
LOW POWER STANDBY PCB
* REMARK: LOW POWER STANDBY PCB IS FOR MC-DX20 [E,UK,HK,SIN]