EasyManua.ls Logo

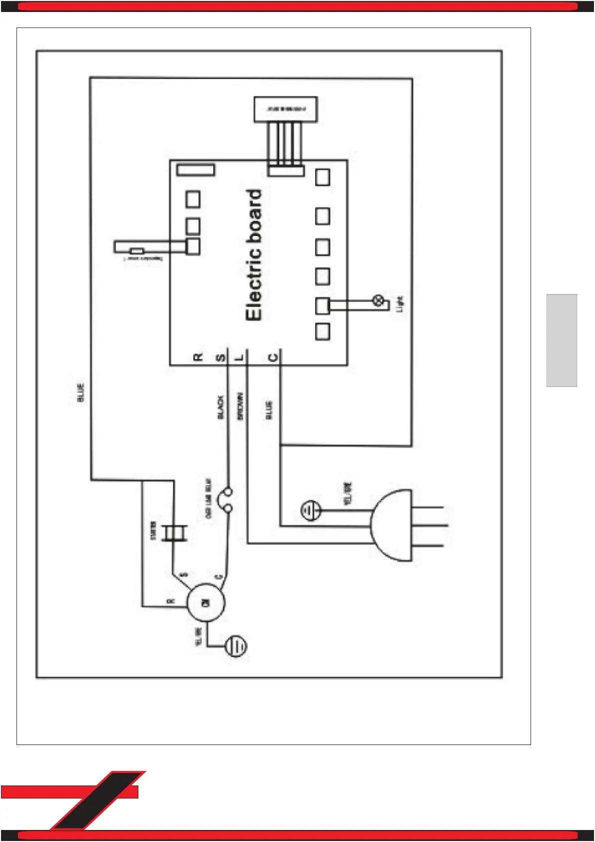
Tecfrigo SOMMELIER 18 - Technical Diagrams and Specifications; Electric Board Schematic

Tecfrigo SOMMELIER 18
Print Icon
To Next Page IconTo Next Page
To Next Page IconTo Next Page
To Previous Page IconTo Previous Page
To Previous Page IconTo Previous Page
Loading...
SOMMELIER18
19
rigo
Italiano EnglishDeutsch