EasyManua.ls Logo

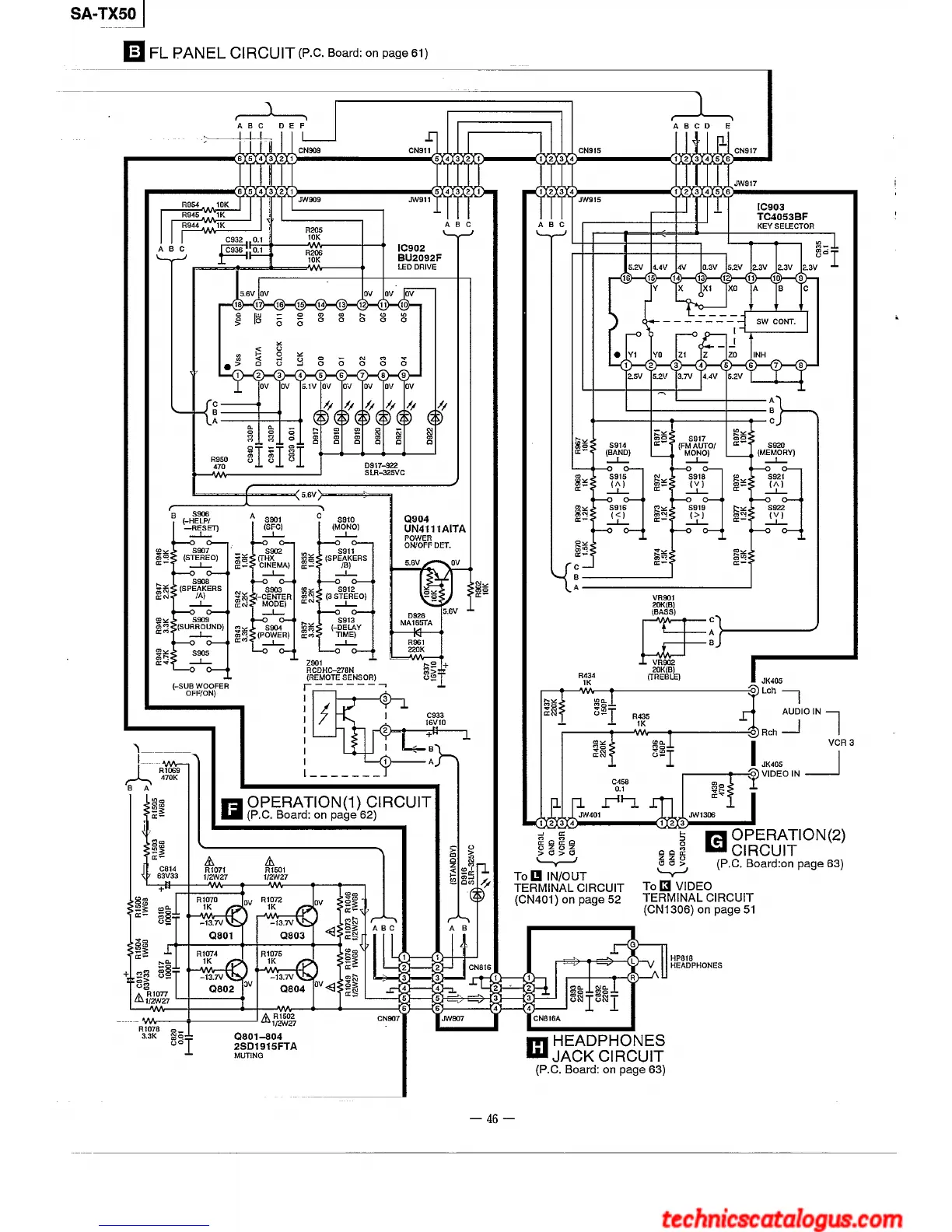
Technics SA-TX50 - Operation and Interface Circuit Schematics; Operation Control Circuit Diagrams

Technics SA-TX50
88 pages
Print Icon
To Next Page IconTo Next Page
To Next Page IconTo Next Page
To Previous Page IconTo Previous Page
To Previous Page IconTo Previous Page
Loading...

Other manuals for Technics SA-TX50

Related product manuals