EasyManua.ls Logo

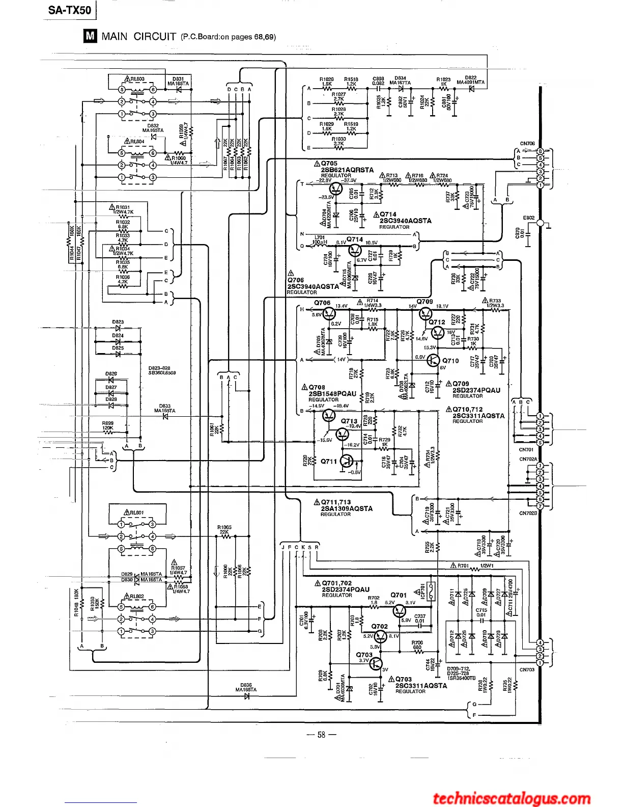
Technics SA-TX50 - Power Supply and Regulator Schematics; Power Supply Regulator Transistor Circuits

Technics SA-TX50
88 pages
Print Icon
To Next Page IconTo Next Page
To Next Page IconTo Next Page
To Previous Page IconTo Previous Page
To Previous Page IconTo Previous Page
Loading...

Other manuals for Technics SA-TX50

Related product manuals