EasyManua.ls Logo

Technics SL-P250 - Page 21

Technics SL-P250
56 pages
Print Icon
To Next Page IconTo Next Page
To Next Page IconTo Next Page
To Previous Page IconTo Previous Page
To Previous Page IconTo Previous Page
Loading...
™@
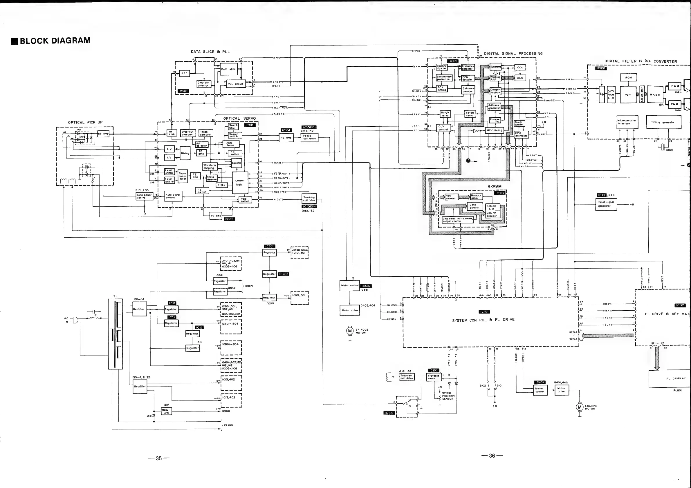
BLOCK
DIAGRAM
OPTICAL
PICK
UP
Tie
were
|
[fe
eae
re
te
od
Qio1,203
Auto
power
|
control
apc]
DATA
SLICE
&
PLL
ut
13
2
|
a
a
oe
|
~
!
:
\
rop-out
wae
!
:
|
OEE
1
—————+
—_——
——
omer
®
22
U4
SRF
EFM
PCK
OPTICAL
SERVO
tS)
Wao
|
Ss
h
{C101
al
26
Keats.
12/)
Q141,142
34
"4
Focus
J
coil
drive
Auto
power
control
4
SENSE
}-—
FO
ON/CNT!
TR
ON/CNT2
KICKF
/CNT3
KICK
R/CNT
4,
KICK
F/R
Tracking
coil
drive
1C106
Q161,162
ac
IN
---4
gy
dao
abstie
I
2s
tei,
131
H
1C103~106
Qs6!
TI
DU~
14
[
SV
Optical
pickup,
1C101,501
Lia
|
C202
|
IC8Ol,301,
I
1
302,401
Lg351851,902
piceor~
208
|
1
|
--—-4
uw
ccc
[iceoi~s04
|
1
LJ
-6v
DIS~17,
21,22
F404
40262}
-8V
ad
162,142
:
f
1clo3~106
Na
rocr-7
ray
IC!31402
\
i]
|
|
eeepc
|
=v
4
1C13,402
|
'
|
aa
.
Ic6o1
vP
i
FL6OI
cr
“7
ad
eae
I
|
az2or
|
Seen
To
a
FPeC)
Protection
&
ie
|
Synchronize
I
4
8LKCK}
sus
I6KRAM
|
C302
|
Chip
select,write
enab
output
enable
ie
Q351
ASTAT)
aaa
daa
cae
3
o
°
a
3
TRV-R
TRV-F
OPEN
CLOSE
Q181,182
$102
S101
SPEED
acct
POSITION
SENSOR
2h
+8
Ey
Eo
DIGITAL
SIGNAL
PROCESSING
sain
Gameieieieeetemen
|
LR
SROATA
SRCK
-~--4
DIGITAL
FILTER
&
Microcomputer
interface
DATA
RAM
O0/A
CONVERTER
RJ
s
5
33
,
Timing
generator
irene}
,Q40!
Reset
signal
generator
0403,404
ccoen-_$h
suse
—tt
SYSTEM
CONTROL
&
FL
DRIVE
SPINDLE
MOTOR
OPEN
Motor
control
Q401,402
saisoSeecesei
led
ie
LOADING
MOTOR
|
1C601
|
cé601
FL
DRIVE
&
KEY
MAT
o2~
00
0
OP
eer
wee
a.
Fey
52
FL
DISPLAY
FL6OI

Related product manuals