EasyManua.ls Logo

Technics SL-P250 - Page 40

Technics SL-P250
56 pages
Print Icon
To Next Page IconTo Next Page
To Next Page IconTo Next Page
To Previous Page IconTo Previous Page
To Previous Page IconTo Previous Page
Loading...
CHECK
OF
PLAY
OPERATION
AFTER
ADJUSTMENT
Checking
Skip
Search
.
Play
an
ordinary
musical
program
disc.
.
Press
the
skip
button
to
check
for
norma!
skip
search
operation
(in
both
the
forward
and
reverse
directions).
Checking
Manual
Search
.
Play
an
ordinary
musical
program
disc.
.
Press
the
manual
search
button
to
check
for
smooth
manual
search
operations
at
either
fow
or
high
speed
(in
both
the
forward
and
reverse
directions).
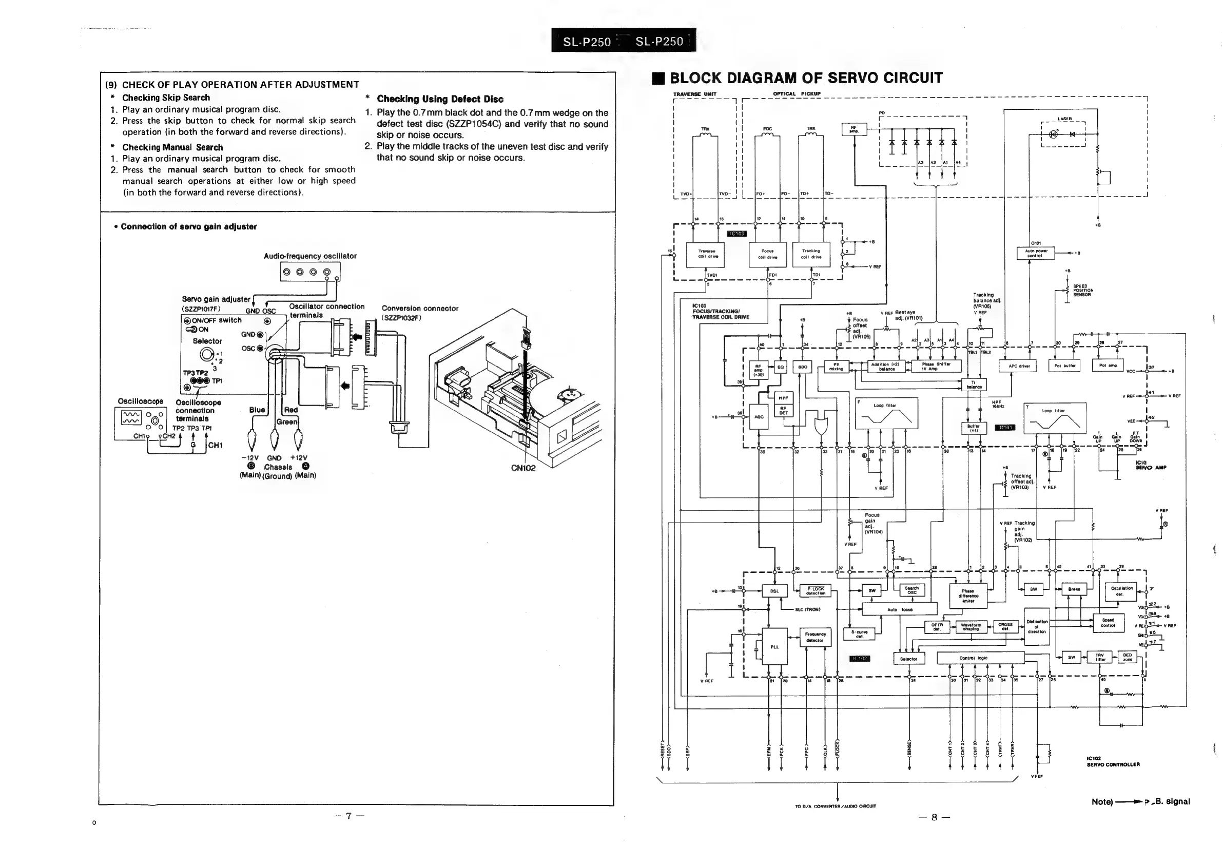
¢
Connection
of
servo
gain
adjuster
Audio-frequency
oscillator
Servo
gain
adjuster
(SZZP1017F)
Oscillator
connection
terminals
ee
“Je
Oscilloscope
connection
terminals
~12V.
GND
+12V
®
Chassis
@
(Main)
(Ground)
(Main)
SL-P250
SL-P250
Mi
BLOCK
DIAGRAM
OF
SERVO
CIRCUIT
OPTICAL
PICKUP
Checking
Using
Defect
Disc
1.
Play
the
0.7mm
black
dot
and
the
0.7mm
wedge
on
the
defect
test
disc
(SZZP1054C)
and
verify
that
no
sound
skip
or
noise
occurs.
.
Play
the
middle
tracks
of
the
uneven
test
disc
and
verify
that
no
sound
skip
or
noise
occurs.
Conversion
connector
(SZZP1032F
)
TRAVERSE
UNIT
ia
[lye
tte
fied
ba
eee
PRRs
ee
ht
ay
ey
ee
Ne
ef
es
A
ge
WN
7
|
|
|
|
|
|
a
en
eR
ee
|
|
im
LASER
(
|
\
ASE
=
1
TRV
|
FOC
TRK
&
1
é
\
;
|
!
(
e
'
|
|
1!
I
eee
7
\
|
|
|
3
1
|
|
\ \
|
|
|
bso
een
|/MLIB
oe
1
|
|
|
I
1
I
i
Lal
ace
meena
{
|
1
|
TvD-
a
Siegen
mam,
eo
ash
meee
eel
ee
pore
|
ene
Saar
13
4
antes
quienes
gueeteniated
-4
a
!
|
1
!
+8
101
ssl
Traverse
Focus
Tracking
2
Auto
power
+B
coil
drive
coil
drive
coil
drive
control
t
bea
-
V
REF
t
+B
[
rey
ee
een
ees
|
SPEED
POSITION
Tracking
SENSOR
balance
adj.
03
(VR106)
FOCUS/TRACKING/
+B
Vv
REF
Best
eye
Vv
REF
TRAVERSE
COIL
DRIVE
a
Pichia
i
adj.
(VR101)
i
offset
adj.
6
7
One
alee
oe
ia
-
Addition
(x2)
‘i
balanos
APC
driver
Pot
bufter
HPF
16kHz
T
Loop
filter
|
42
~~
Y/™
veep
i
F.
T
FT
Gain
Gain
Gain
|
uP
uP
J
er
Om
Oe
mes
aa
me
OT
=
v
c
®|
crt
+8
SERVO
AMP
Tracking
offset
adj.
(VR103)
V
REF
|
V
AEF
V
REF
Tracking
®
gain
tr
adj.
R102)
VREF
wee
af
3
|e
fs
6]
j42
ai}
23 20
r---9--
oe
he
pe
i
$2
et
Oo
ah
ae
me
Oe
mm
AOE
HO
I
|
18
FLOCK
re
peas
ws
rH
pee]
b>
I
difference
limiter
tf
22
©
SLC
(TRON)
Auto
focus
vote
+8
LT
|
edt
Distinction
'
a)
piece
|
eae
|
ee
a
a4
eh
byt
ltd
‘cet
of
canto
V
REIQ——t~
V
REF
direction
15
Gay
vert
22
=e
C=
me
HE
——
ee
Cpe
me
a
ee
ee
Oe
Om
OO
nT
ee
ree
24
40
ry
®
H
iS
-
a &
©
¢
w
=
x
o
2
18
y
b
©
&
&
S
7
é
&
ee
a
6
8.8
6
EE
(€102
SERVO
CONTROLLER
VREF
TO
D/A
CONVERTER
/AUDIO
CIRCUIT
Note)
——>-
p
..B.
signal

Related product manuals