EasyManua.ls Logo

Technics SX-K350 - Optional Memory Pack Usage Guide; Using Optional Memory Packs (SY-P2 SY-P3)

Technics SX-K350
51 pages
To Next Page IconTo Next Page
To Next Page IconTo Next Page
To Previous Page IconTo Previous Page
To Previous Page IconTo Previous Page
Loading...
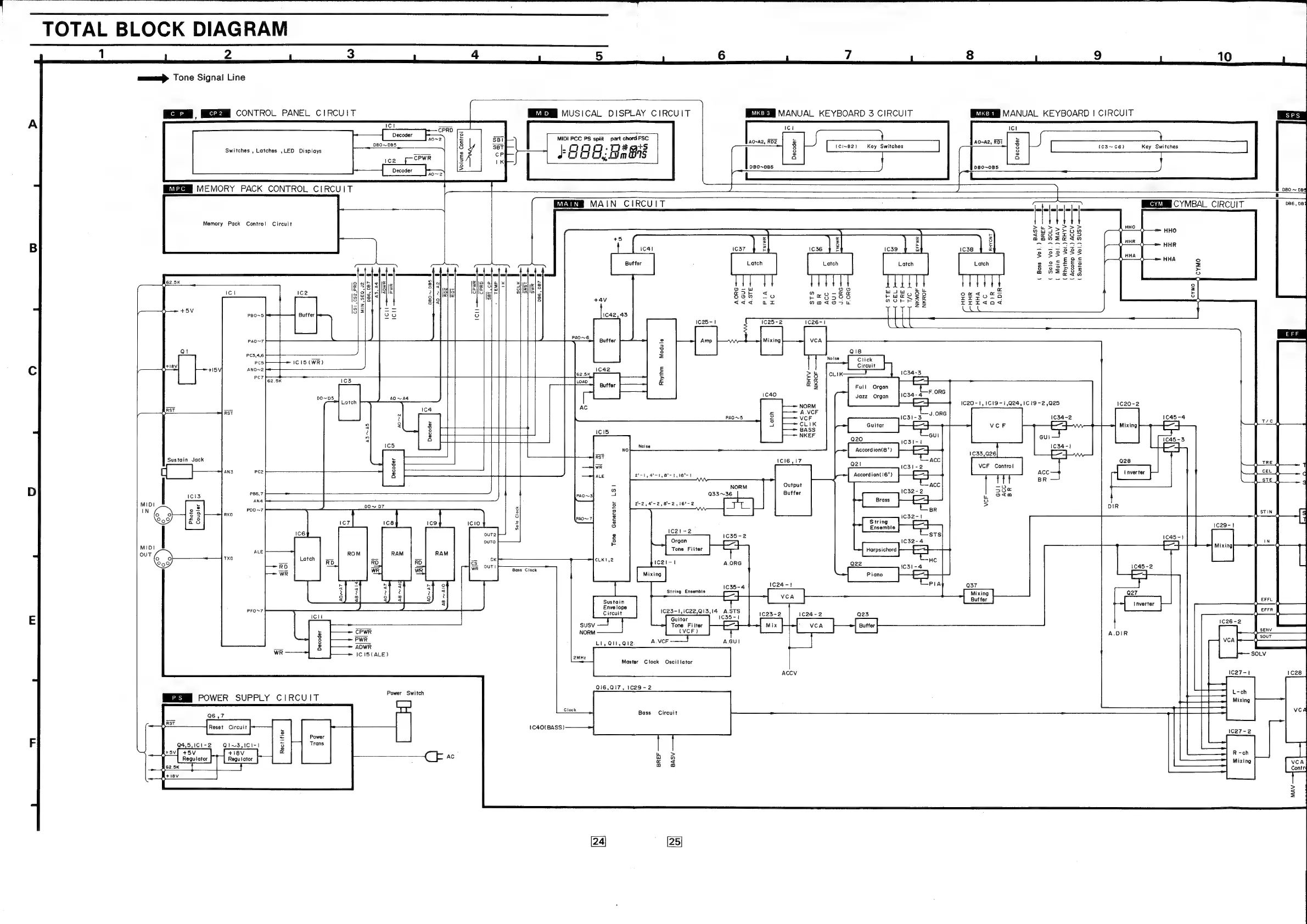
TOTAL
BLOCK
DIAGRAM
1
2
mum
Tone
Signal
Line
Switches
,
Latches
,LED
Displays
Memory
Pack
Control!
Circuit
r
Ae2.5k
Icl
Ic2
+5V
|
Qi
pcr
i
CONTROL
PANEL
CIRCUIT
MEMORY
PACK
CONTROL
CIRCUIT
Cc
Arley
18
RST
Sustain
Jack
a
D
|
1c13
MIDI
IN
Oo
9
269
MIDI
|
Oo
OO
269,
ouT
6.3)
ie}
Photo
Coupler
Rrsv[
+5V
+18V
&.
Regulator
‘a
Regu
lator
ra
AB
~
AIO
|
ps
a
ICIS(ALE)
Power
Switch
AC
Bass
Clock
4
Q37
Sustain
Butter
Envelope
Circuit
Guitar
SUSV
Tone
Filter
NORM
(VCF)
Li,
Qi,Qi2
A.VCF
A.GUI
Master
Clock
Oscillator
Q16,Q17,
1C29-2
Clock
Bass
Circuit
'C40(BASS)
MUSICAL
DISPLAY
CIRCUIT
BEIGE
MANUAL
KEYBOARD
3
CIRCUIT
MEICE
MANUAL
KEYBOARD
|
CIRCUIT
SPS
DE
ar
MIDI
PCC
PS
split
part
chord
FSC
A0~A2,
ROZ
-
noche
ROT
aoa
-O99-
Bemis
J
ma)
og
Lm
WS
0BO~DB5
0BO~0B5
DBO
~
DBs
MAIN
CIRCUIT
ATT
MEGQM
CYMBAL
CIRCUIT
p26,
0B
>ur>
y,2>>
HHO
1036
|
3
1C39
|
§
1c38
a
=
Igss
Y ¥
533223
[Tou]
ees
O
re;
REBEL
esl}
ER
SSI4]
Sigisl8
Haake
3]
{Ie
oh
gy
ele
lg
=
35
S
EFF
Rhythm
Module
Full
Jazz
Organ
Organ
IC20-1,
1CI9-1,Q24,1C19-2,Q25
1Ci6
,17
Q28
(
nverter
VCF
Control
2'-1,4'-1,8'-
1,16"
1
Output
Buffer
Q33~36
2-2,4-2,8'-2,16'-2
1c21-2
Organ
Tone
Filter
Tone
Generator
LS!
String
Harpsichord
+
uo
i
3
a
4
a
a

Other manuals for Technics SX-K350

Related product manuals