EasyManua.ls Logo

Technics SX-KN6500 - Page 103

Technics SX-KN6500
140 pages
Print Icon
To Next Page IconTo Next Page
To Next Page IconTo Next Page
To Previous Page IconTo Previous Page
To Previous Page IconTo Previous Page
Loading...
F
L29
C115
0.68UH
L24
60UH
R128
0.1
C110
1
C109
25V1000
R129
0.1
R133
22K
IP8
N10
R132
22K
L36 QLBG005A
R114
-VCC
-VCC
+VCC
+VCC
1M
R113
1M
R121
22K
R118
33K
R120
4.7K
R122
0.1
C114
C107
1
C108
25V1000
Q11
2SK1188
Q15Q14
Q14, Q15, Q19, Q20, Q24, Q25
Q20Q19 Q25Q24
2SC1815TPE2
Q9, Q12, Q16, Q22
2SA1015TPE2
Q13, Q17, Q18, Q21, Q23
2SC1815TPE2
Q10
2SJ425
IP7
N10
D14, D17
MA165TA5
1M
R105
1M
R106
68
R108
1M
R110
C83
0.022
MT
-15A
R79
6.8K
R100
100K
R98
2.2K
R109
1M
L22
60UH
D20
EK04W
D19
EK04W
R112
10K
R111
3.3K
R115
100
R117
10K
R119
47K
D21
MA4150M
D24
EK04W
D22
MA165TA5
D23
MA165TA5
R123
3.3K
R124
10K
R125
4.7K
R127
10K
R131
4.7K
R134
82K
R135
4.7K
R137
82K
R136
+15A
+VCCF
4.7K
C116
0.0047
R116
+15A+15M
+15MS
10K
L39
QLBG005A
+VCC-VCC
R93 1M
C95
220P
R84
D14 D17
3.3K
R72
47K
C85
16N10
C82
0.047
C92
16V10
2 31 4
7
6
8
5
VCC
GND
IC15
M5218AL
10
11
9
12
6
7
5
8
2
3
1
4
Q8
SLA5007
Q9
Q13
Q17
Q21
Q23
Q22
Q18
Q16
Q12
R146
1K
C93
16V100
C106
1
L23
60UH
C100
4700P
N
L30 GLBG005A
L20 QLBG005A
C105
4700P
C104
4700P
R126
33K
R130
4.7K
R138
33K
R139
4.7K
L28
68
R107
L38 QLBG005A
L21 QLBG005A
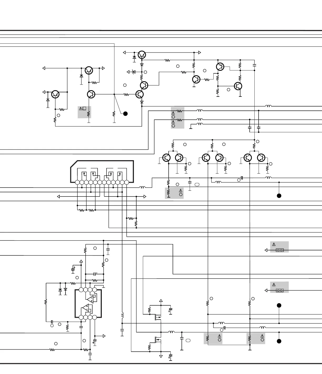
SCHEMATIC DIAGRAM-25
F
F
F
F
F
F
F
F
F
F
F
F
F
F
F
0.68UH
F
F
F
TF
F
F
F
F
F
F
TF
F
F
50V1.5
Y
50V1.5
Y
PMUT
2
SPW
9
SPL
5
SPR
2
R66
100K
MT
(OP.AMP)

Related product manuals