EasyManua.ls Logo

Technics SX-KN6500 - Page 112

Technics SX-KN6500
140 pages
Print Icon
To Next Page IconTo Next Page
To Next Page IconTo Next Page
To Previous Page IconTo Previous Page
To Previous Page IconTo Previous Page
Loading...
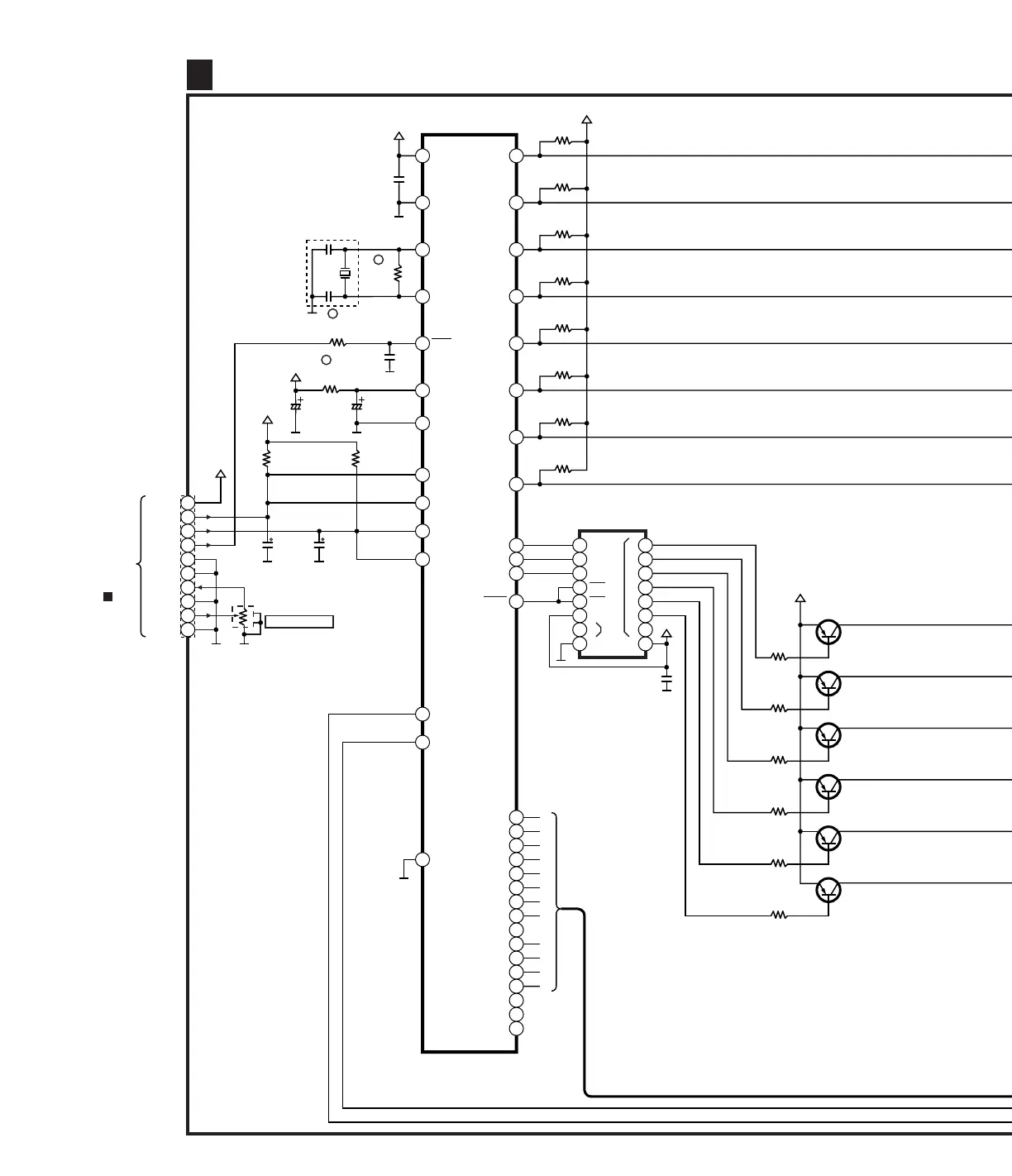
CPR CIRCUIT
G
23
24
42
1
26
27
28
2
9
8
7
33
39
38
37
36
35
34
40
41
6
22
21
19
20
25
18
10
5
4
3
29
VDD
M37471M2196S
IC10
VSS
XIN
XOUT
RST
VREF
ID
SIN
SOUT
CLK
S0
S1
S2
S3
S4
S5
S6
S7
CM0
CM1
CM2
DDIS
SEG5
SEG4
SEG3
SEG2
SEG1
SEG0
SEG6
SEG7
SEG8
17
SEG9
16
SEG10
14
SEG12
15
SEG11
13
SEG13
12
SEG14
32
SEG15
CNTR1
(8BIT MICROCOMPUTER)
0.1
C40
+5D
R80
33K
X10
+5D
CN12
DATA
SCK
CPRST
E
E
1
2
3
4
5
6
R82
100
0.1
C41
7
8
9
10
IN
E
OUT
E
+5D
C43
6.3V47
R83
100
C42
6.3V220
+5D
R84
10K
R85
10K
+5D
C46
47P
C45
47P
VR10
10K
MIC VOLUME
2
5
6
GND VCC
CS1
7
9
8
16
15
14
12
11
10
1
2
3
5
6
4
7
0
1
A0
A1
A2
13
4
3
CS3
CS2
Y
Y
IC11
HD74LS138P
(3 TO 8 DECORDER)
+5D
10K
R86
10K
R87
10K
R88
10K
R89
10K
R90
10K
R91
10K
R92
10K
R93
2SA830STPB
2SA830STPB
2SA830STPB
2SA830STPB
2SA830STPB
2SA830STPB
Q20
Q21
Q22
Q23
Q24
Q25
0.1
C47
+5D
10K
R94
10K
R95
10K
R96
10K
R97
10K
R98
10K
R99
+5D
11
AD0
30
31
ROTA
ROTB
B
C
D
E
F
G
H
I
J
K
L
A
SCHEMATIC DIAGRAM-34
F
F
F
EF0EC4004T3
TO FAJ CIRCUIT
(CN9) ON SCHEMATIC
DIAGRAM 22
B

Related product manuals