EasyManua.ls Logo

Technics SX-KN6500 - Page 137

Technics SX-KN6500
140 pages
Print Icon
To Next Page IconTo Next Page
To Next Page IconTo Next Page
To Previous Page IconTo Previous Page
To Previous Page IconTo Previous Page
Loading...
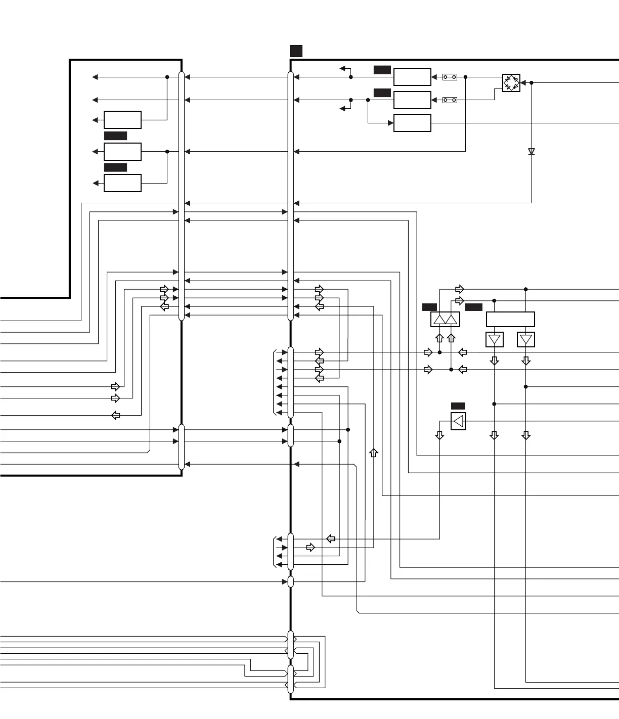
D5,6,7,8IP5
D3,4
CN1
CN10
TO CPL
CN3
TO CPR
CN12
CN9
CN2
CN102
CN101
IP6
+15V
Regulator
IC5 IC6
IC4
-15V
Regulator
-7V
Regulator
+3.3D
+5D
+5A
Q305-307
Q26
Q7
Q4,5
Q304
-15A
+15A
-15A
+15A
CN3
CN5
CN4
+5V
Regulator
+5V
Regulator
Q301-303
KB0-KB4
KB0-KB4
KF0-KF3, KS0-KS3
KF0-KF3, KS0-KS3
Headphones
AMP
FAJ(1/2)B
IC2
IC3
IC308
IC308
+3.3V
Regulator

Related product manuals