EasyManua.ls Logo

Technics SX-KN930 - Commercial Disk Playback Procedures; SMF Disk Playback Limitations

Technics SX-KN930
42 pages
To Next Page IconTo Next Page
To Next Page IconTo Next Page
To Previous Page IconTo Previous Page
To Previous Page IconTo Previous Page
Loading...
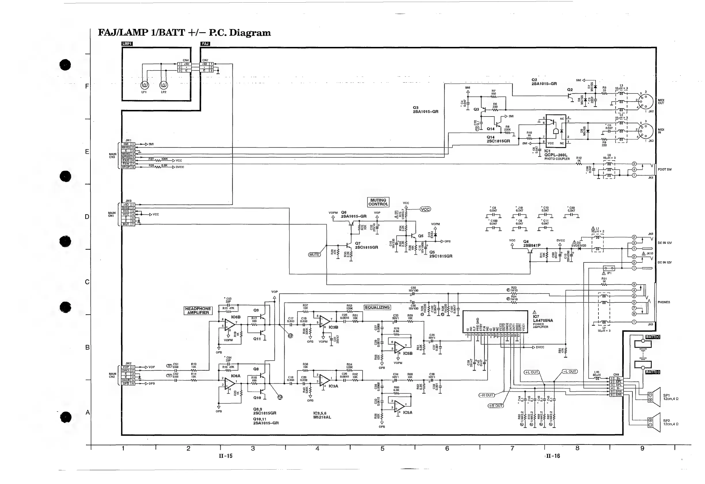
FAJ/LAMP
1/BATT
+/—
P.C.
Diagram
E
MAIN
CN3
MAIN
cNI
MAIN
cCN2
ie
as
Ee
Q2
;
BMI
<]
a
:
eS
i
i
rr
2SA1015-GA
MIDI
OUT
Q3
2SA1015-GR
MIDI
IN
JW1
|
SMT
7]
[>
SMI
IMRXD
|
2
|
i
ne
|
Sé=
Ic1
Ba
ee
ee
ee!
~
u
[MEXD
[5
Rez
100K
Sey
caes
R12
t5ultx
3
Lexa
[6
|
i
1SuH
x
8
[FSW
|
80
Be
|
83
Te
(4)
FOOT
SW
ss
eae
Oe
=
pegs
JKS
MUTING
CONTROL
vee
laASET
-
oy
‘oto
[Voc
[a=
Von.
O6
Woe
a
voe
obs
ody
0.047
ana
eet
Dves
A
2SA1015-GR
A
ets
pry
riFy
cory
Op
try
E—fer-4
cto
°
ca
“on
{MUT
[7
wx
aft
VOPM
0.047
0.047
0.047
£e
8B
38
mai
a”
1
L
cL
L
I
L
oO
Q5
ag
08
[rox
D>
OPB
wre
4
DC
IN
t2v
gocisiscn
«=
Of
=F
ays
ok
A
98R941P
RES
oy
"BE
as
mh
ee
2SC1815GR
&
DCIN
12V
*
C53
33P
=
PHONES
HEADPHONE
R15
47K
aa
toe
BR
EQUALIZING
iis
8
8
28
3S
AMPLIFIER
we
i
wi
-1°eTe
i
Ice
ex
|
co
LO
,
|
offts
ee
ee
Ie7
6
|
too)
0.033
|
0.039
5
-
=H
LA4705NA
>.
POWER
mee
\
aX
8
IC3B
ag
R79
AMPLIFIER
uG
eg
2.
15uH
x
3
ai
ae
V
V
tas
%
ov
b
oPpB
vopm
[
°8
RS
+H
og
set
RB
ae
y
fs
a
OPB
i
8
IC5B
:
“SP
FE
oy
R13
R38
15K
Rt6
47K
as
15K
fee
OPB
ae
R14
C2852
c34
R60
cas
cna
BATT)
15K
Rie
cia
|
c2o
0.0015
10K
sovt
10K
50Vt
nae
=
ae
es
a
:
ee
oy
4
IC3A
ag
0
B35
88
—_
eg
612
2
Ss
6.8K
a:
A
-—}—}
|
L___—_
{5
spr]
10
y
e
a
2
[eT
SPR
SP1
7
Pe
88
SSr
SST
Gas
6g
@
12cm,4
Q
V
2 3
oPB
Q8,9
2SC1815GR
1C3,5,6
ox
“|!
Icsa
asbosd
oshes
O10
M5218AL
eg
B32
f23 233
Bs
wl
|
ses
3
=
= =
=
2SA1015-GR
©}
©| o]
@
12em,4
Q
II-15

Other manuals for Technics SX-KN930

Related product manuals