EasyManua.ls Logo

Tefcold FS60CP - Page 124

Tefcold FS60CP
Print Icon
To Next Page IconTo Next Page
To Next Page IconTo Next Page
To Previous Page IconTo Previous Page
To Previous Page IconTo Previous Page
Loading...
124
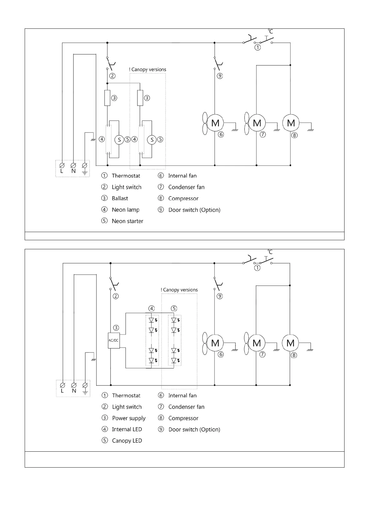
FS/FSC1220, 1280, 1380, 2380, 1450, SCU/CP1220, 1280, 1375, 2375, 1450
(FS/FSC1220, 1280, 1380, 2380, 1450, SCU/CP1220, 1280, 1375, 2375, 1450, CEV425/CP,
GBC375/CP)-I

Table of Contents

Related product manuals