EasyManua.ls Logo

Tefcold SCU1425 - Page 123

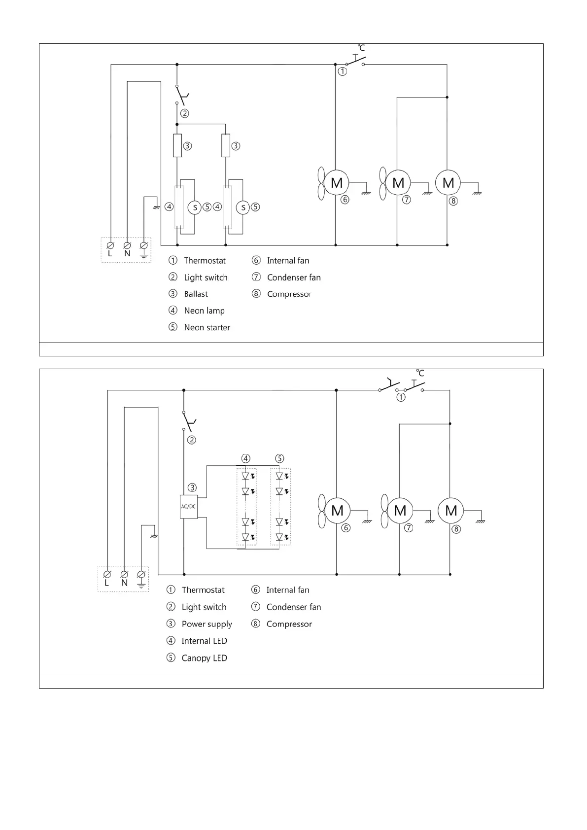
Tefcold SCU1425
Print Icon
To Next Page IconTo Next Page
To Next Page IconTo Next Page
To Previous Page IconTo Previous Page
To Previous Page IconTo Previous Page
Loading...
123
FS60CP, FS80CP, FSC100
FS60CP-I, FS80CP-I, FSC100-I

Table of Contents

Related product manuals