EasyManua.ls Logo

Tefcold SCU1425 - Page 126

Tefcold SCU1425
Print Icon
To Next Page IconTo Next Page
To Next Page IconTo Next Page
To Previous Page IconTo Previous Page
To Previous Page IconTo Previous Page
Loading...
126
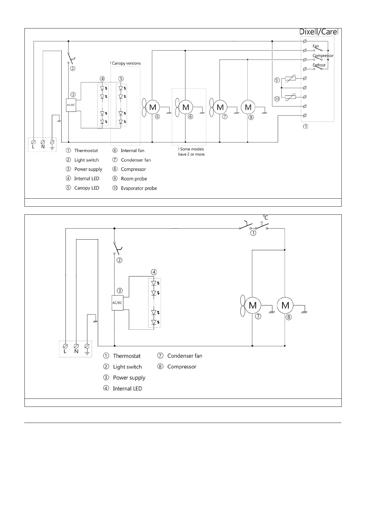
FS1002-P, FS1202S-P, FS890H-P, FSC890S-P, FSC890H-P, FS1500H, FSC1600H-P
CPV425, CPV1380, CPP1380

Table of Contents

Related product manuals