EasyManua.ls Logo

TEK 2225 - Page 147

TEK 2225
215 pages
Print Icon
To Next Page IconTo Next Page
To Next Page IconTo Next Page
To Previous Page IconTo Previous Page
To Previous Page IconTo Previous Page
Loading...
VERTICAL
Fl
2225
Service
V/DIV
4
INVERT
ATTENUATORS
m
VERTICAL
,
1
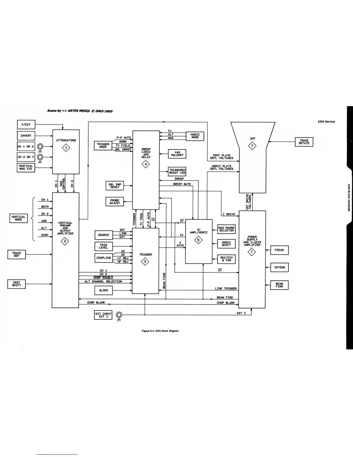
Figure
9-4.
2225
block
diagram.
CRT
VERT PLATE
0
DEFL VOLTAGES
e
-
-
MAG Xi0
TRIGGERED DEFL VOLTAGES
.
READY LED
C
J
SWEEP
"
c"
<I-
J
rz
J
SGL SWP
-
SWEEP GATE
0
0
RESET
T
r
V
+
&+
CH
1
H
W
PROBE
ADJUST
Z;
BOTH
I-J
59
CH
2
a
o
W
Z DRIVE
"
I-
"1%
-
ADD
H
VERTICAL
=>a
_
XY
PREAMP
I-I-k
ALT AND
INT XY
-
SELECTOR
MAG RANGE
OUTPUT
AMPL/HORIZ
CHOP
AMPLIFIER
SOURCE
.
LINE
EXT
POWER
SUPPLY
X HORIZ AND Z-AXIS
TRIG AXIS SHIFT AMPLIFIER
LEVEL
AC
*
0
FOCUS
TRACE
SEP
7
TRIGGER
COUPLING
LF REJ
-
SEC/DIV
-
HF REJ
:
6
VAR
1L
1
I
A
A
-
-
INTENS
CH
i
XY
L
P-P AUTO
-
NORM
HORIZ PLATE
-
SWEEP
LOGIC
AND
DELAY
MODE
o
E
LL
I
<
W
m
VERT
SHIFT
Xi
>-,
ALT HORIZ
MAG MODE
V AR
HOLDOFF
TV
FIELD*
.
4
0
*
CH
2
CHOP
ENABL~
*
e
ALT CHANNEL SELECTION
c
\SGL SWEEP
BEAM FIND
-
-
LINE TRIGGER
SLOPE
.
e
-
CHOP BLANK
-
-
BEAM
FIND
-
EXT Z
i