EasyManua.ls Logo

TEK 2225 - Page 181

TEK 2225
215 pages
Print Icon
To Next Page IconTo Next Page
To Next Page IconTo Next Page
To Previous Page IconTo Previous Page
To Previous Page IconTo Previous Page
Loading...
IA~
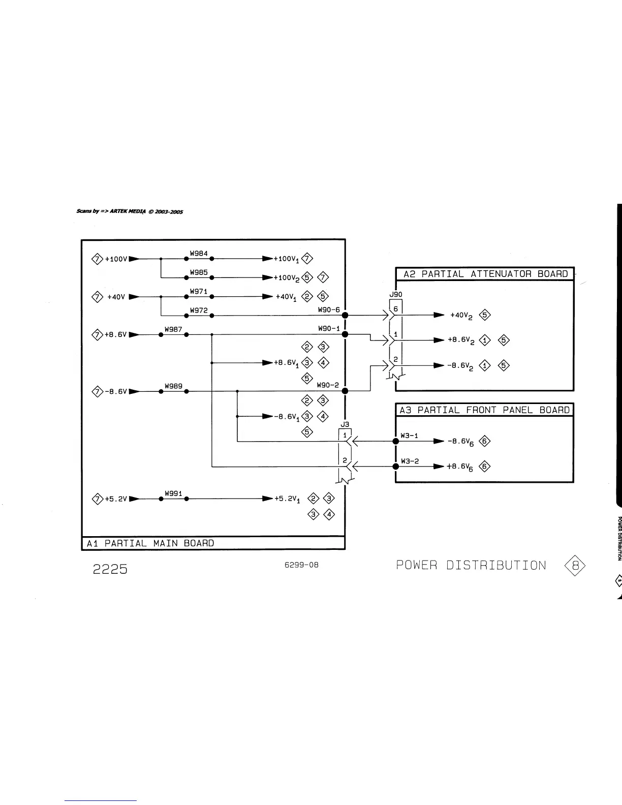
PARTIAL MAIN BOARD
I
W985
-
w
w
b+100v20
@
0
+40V
b
W971
w
-
)
+40v1
@
0
POWER
DISTRIBUTION
A2 PARTIAL ATTENUATOR BOARD
-
/
W972 W90-6
-
w
b
+40v2
0
b
+8.6V2
@
0
@+8.6~)
W987 W90-I
I
-
-
w
w
@-8.6~)
W989
-
-
I
>)I
00
~
I
(1
)+8.6v1@
@
W90-2
>!
l-d
b-8.6V2
@
@
.I
-
-
1
b-8.6~~0
@
1
A3 PARTIAL FRONT PANEL BOARD
0
(q<
W3-I
b
-8. 6v6
@
!,,_,
+8.6V6
@