EasyManua.ls Logo

TEK 2225 - Page 187

TEK 2225
215 pages
Print Icon
To Next Page IconTo Next Page
To Next Page IconTo Next Page
To Previous Page IconTo Previous Page
To Previous Page IconTo Previous Page
Loading...
C57
INPUT
C
(Dscont. serial NO
206607)
C 7
INPUT
C
(Dscont. serial
N2
206607)
R83
CH2
INV
BAL
R33
CHI
VAR BAL
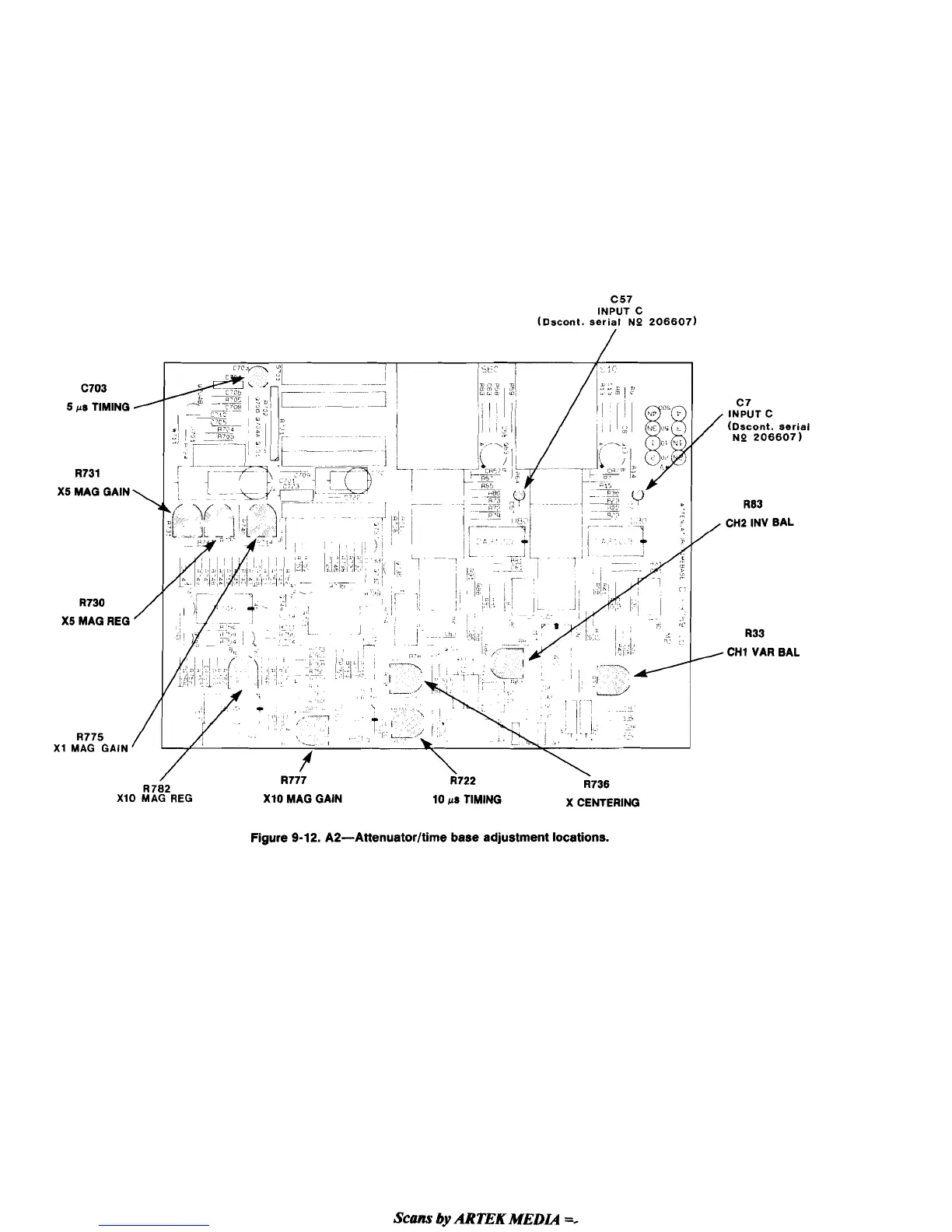
Figure 9-12. A2-Attenuatorltime base adjustment locations.
Scans
by
ARTEK
MEDU
=-