EasyManua.ls Logo

Tektronix 455 - Page 178

Tektronix 455
246 pages
To Next Page IconTo Next Page
To Next Page IconTo Next Page
To Previous Page IconTo Previous Page
To Previous Page IconTo Previous Page
Loading...
r
n vary as
intal
i level.
Ibrator
iial Com-
oscope
ar slightly
M
s
\
L
T
55.0 V
10.8 V
7-100
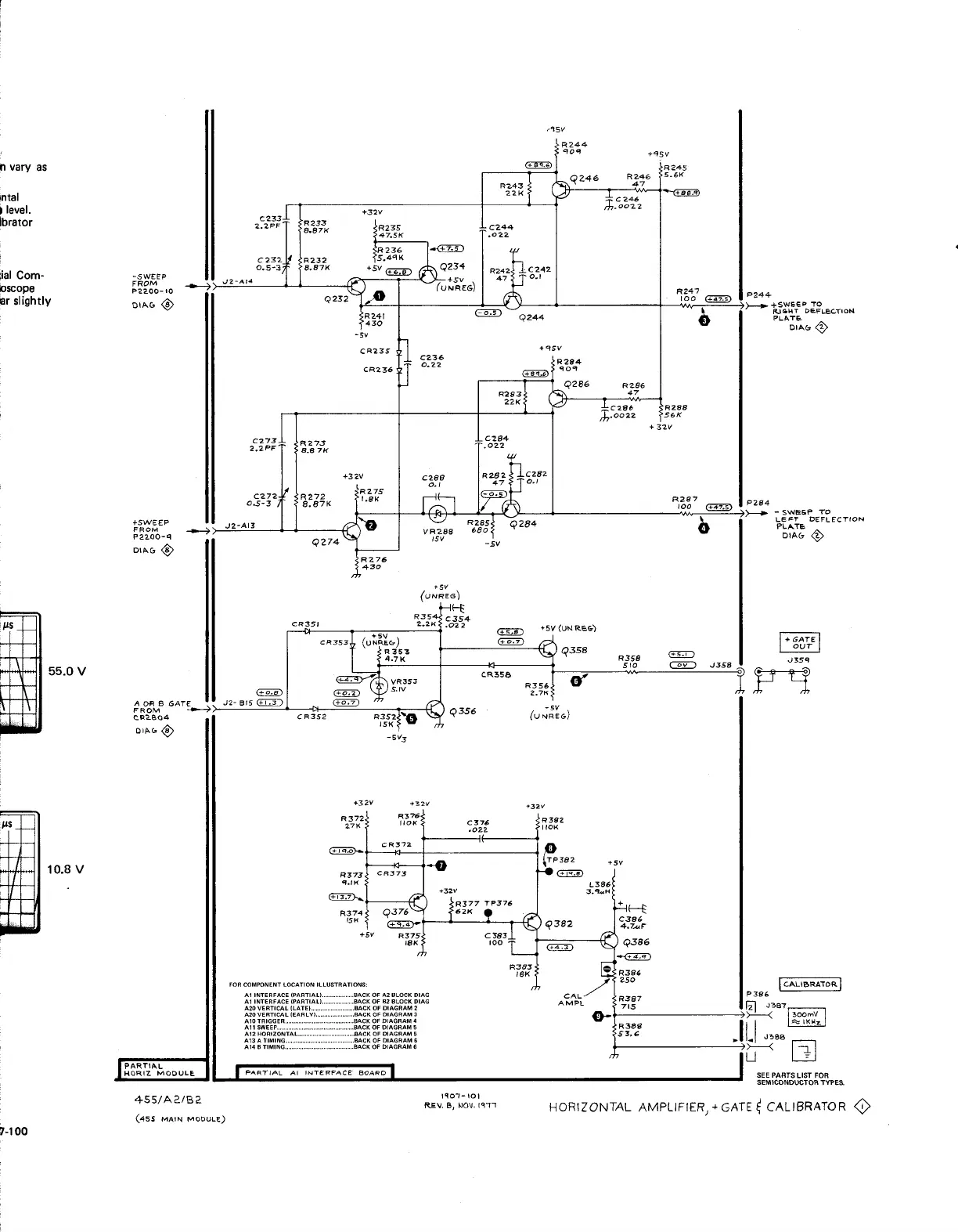
4S5/A2/B2
(4 5 5 MAIN MODULE}
1507-10 1
REV. B, NOV. (477
H O R I Z O N T A L A M P L I F I E R , + G A T E fj C A L IB R A T O R <£>

Table of Contents

Related product manuals