EasyManua.ls Logo

Teletype 43 - Page 108

Teletype 43
222 pages
Print Icon
To Next Page IconTo Next Page
To Next Page IconTo Next Page
To Previous Page IconTo Previous Page
To Previous Page IconTo Previous Page
Loading...
406,2-18


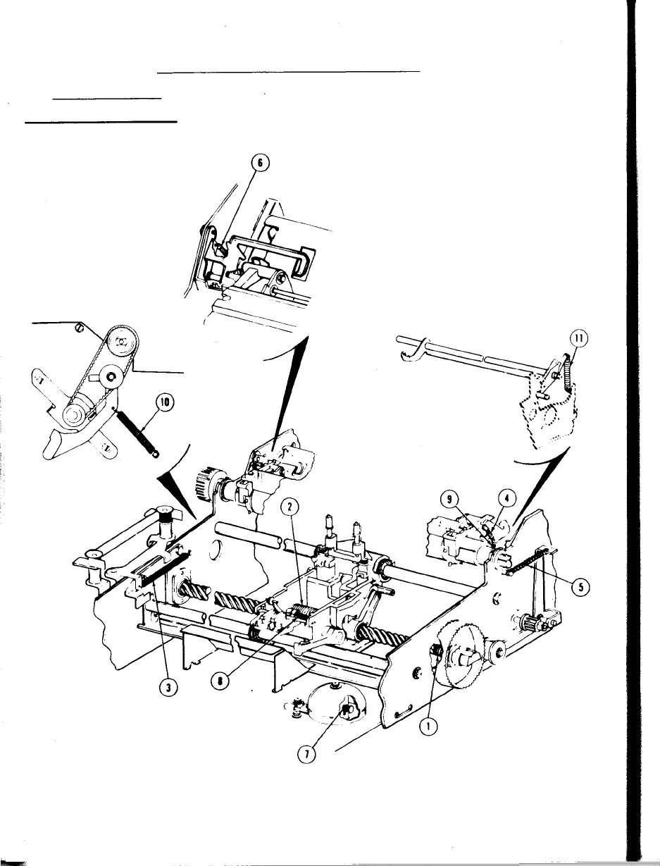
4.  
