EasyManua.ls Logo

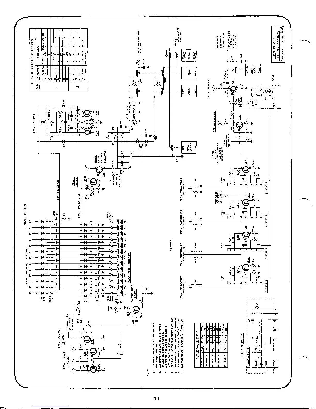
Tempest TS88 - Amplifier, Reverb, Power Supply Schematics

Tempest TS88
33 pages
Print Icon
To Next Page IconTo Next Page
To Next Page IconTo Next Page
To Previous Page IconTo Previous Page
To Previous Page IconTo Previous Page
Loading...