EasyManua.ls Logo

Tempstar CSA6 - Page 10

Tempstar CSA6
14 pages
Print Icon
To Next Page IconTo Next Page
To Next Page IconTo Next Page
To Previous Page IconTo Previous Page
To Previous Page IconTo Previous Page
Loading...
INSTALLATION INSTRUCTIONS R410A Split System Air Conditioner
10 421 01 5104 03
Specifications subject to change without notice.
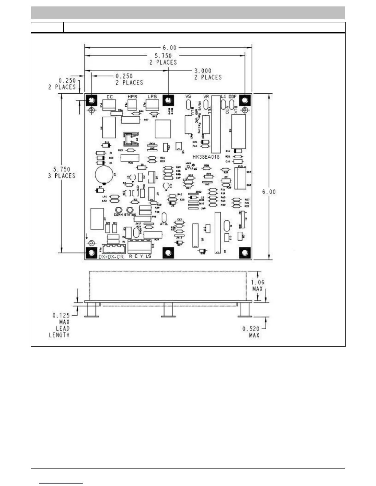
Figure 9 Single Stage Control Board

Related product manuals