EasyManua.ls Logo

Ten-Tec 243 - Page 11

Default Icon
13 pages
Print Icon
To Next Page IconTo Next Page
To Next Page IconTo Next Page
To Previous Page IconTo Previous Page
To Previous Page IconTo Previous Page
Loading...
-10-
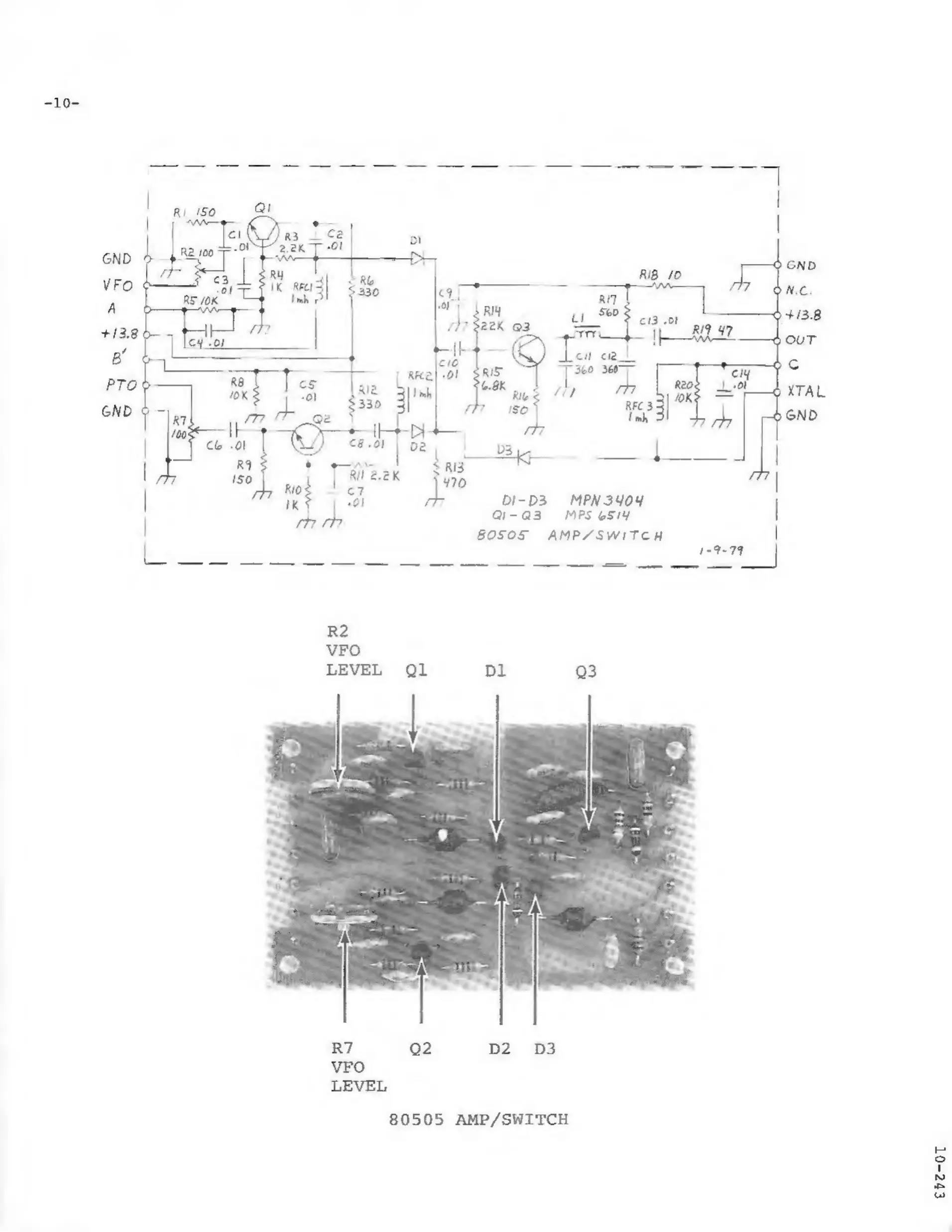
DI-D3
MPN3904
Qi-Q3
MPS
6514
80505
AMP⁄SWITCH
1-9-79
R7
o2
D2
D3
80505
AMP/SWTTCH
EPZ-0T