EasyManua.ls Logo

THOMSON MS 4000 - Page 6

THOMSON MS 4000
16 pages
Print Icon
To Next Page IconTo Next Page
To Next Page IconTo Next Page
To Previous Page IconTo Previous Page
To Previous Page IconTo Previous Page
Loading...
9
CRKD 2559/2560
10 First issue 08/03
123
123
7
8
9
1
2
3
1
2
3
4
4
5
6
1234
AUDIO_R
AUDIO_R
AUDIO_R
H/P_IN
H/P_IN
AGND
AGND
AGND
AUXIN_L
AUDIO_L
AUDIO_L
AUDIO_L
AUX_L
AUXIN_R
+10V
AUX_R
MGND
DGND
MOTOR_VCC
Q601L
Q602L
C613R
P707N707
C612R
R601R
R605R
C605R
R604R
C611R
R603R
C515
Q602R
R600
C603
P513
NJ504
LY0 7
LY0 6
CY01
R413L
R414L
R414R
LY0 5
CY02
C412R
N513
C412L
C413L
JW04
Q601R
C555
R413R
C511
R603L
R606L
C611L
R606R
R604L
C605L
R605L
C413R
R601L
C612L
C613L
KTC3198
KTC3198
KTC3198
1N4148
1N4148
1N4148
1N4148
KTC3198
DY04
DY02
DY05DY03
10P
1nF
1K
1/4W
120R
1/4W
220uF
16V
750R
1/4W
2u2F
50V
2K2
1/4W
220uF
16V
22R
1/2W
470uF
25V
6.5uH
6.5uH
100NF
50V
39K
1/16W
22K
1/16W
22K
1/16W
6.5uH
100NF
50V
+6.8V
2N2
50V
2N2
50V
150PF
50V
100NF
50V
39K
1/16W
100N
2K2
1/4W
680K
1/4W
2u2F
50V
680K
1/4W
750R
1/4W
220uF
16V
120R
1/4W
150PF
50V
1K
1/4W
1nF
10P
N/A
N/A
KEY BOARD
H/P BOARD
H/P AMPLIFIER
1
2
3
AUXIN_L
AUXIN_R
NJ516
AUX IN
TO TAPETO AMP
TO TAPE TO TAPE TO AMP
TO TAPE
3
6,2
2,4
1
0,6
3
6,2
2,4
1
0,6
+10V
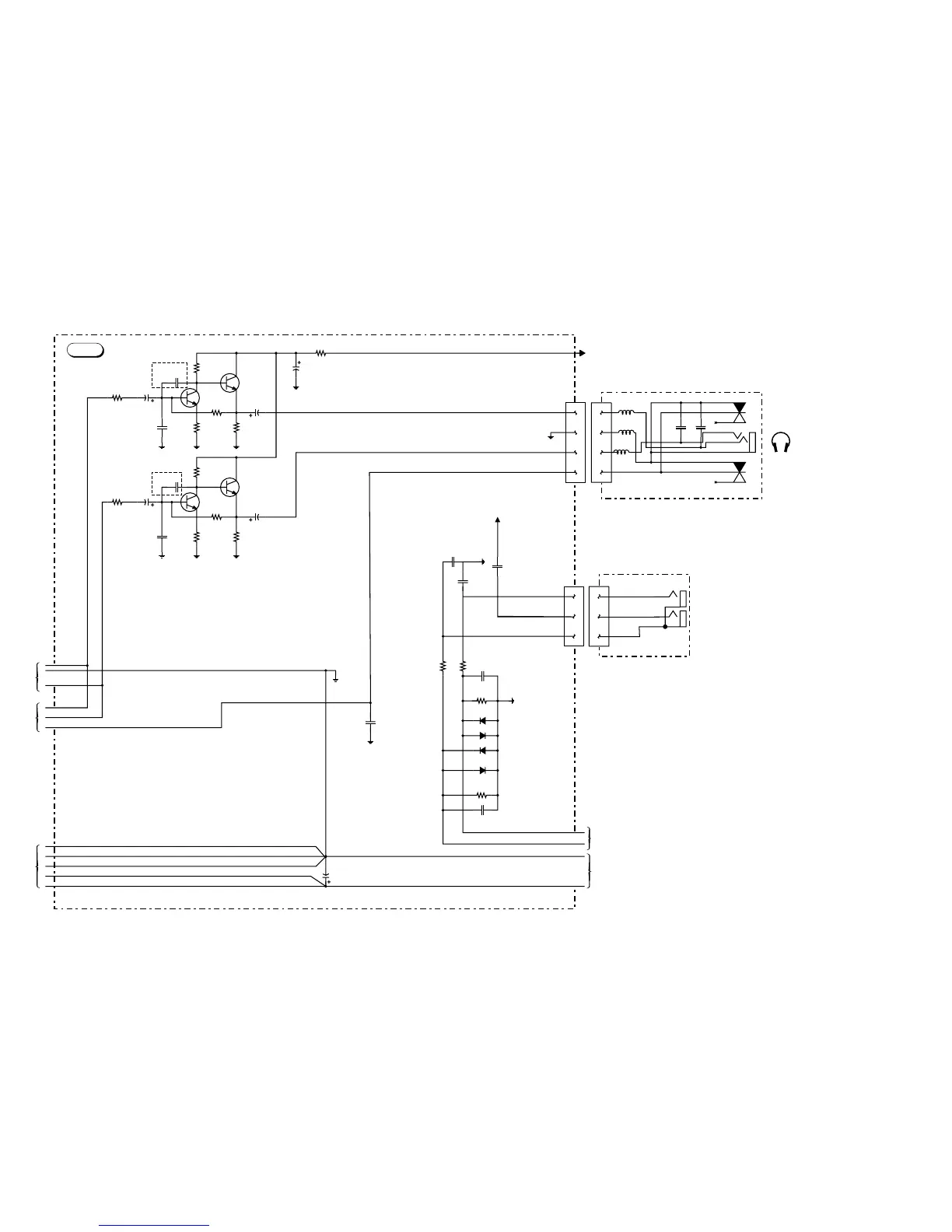
MAIN SCHEMATIC DIAGRAM - SCHEMA DE LA PLATINE PRINCIPALE - SCHALTBILD GRUNDPLATTE - SCHEMA DELLA PIASTRA PRINCIPALE - ESQUEMA DE LA PLATINA
PRINCIPAL (INPUT/OUTPUT PART)
MAIN

Related product manuals