EasyManua.ls Logo

Thor Kitchen MK09SS304 - Page 4

Thor Kitchen MK09SS304
27 pages
Print Icon
To Next Page IconTo Next Page
To Next Page IconTo Next Page
To Previous Page IconTo Previous Page
To Previous Page IconTo Previous Page
Loading...
service@thorgroup.us +1 877-288-8099
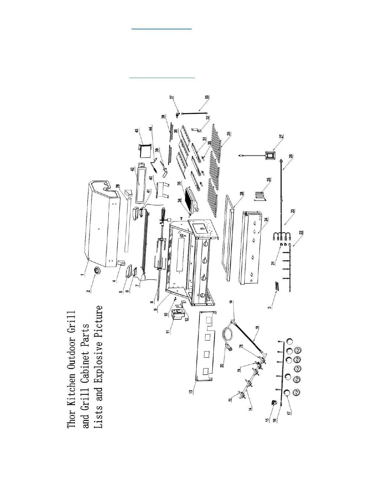
Parts Explosive Pictures
If you are missing any part, please contact Thor Kitchen Customer Service Department at +1 877-288-
8099 at business hours, or email service@thorgroup.us for help. Please provide your proof of purchase
for warranty verification.