EasyManua.ls Logo

TIME MARK 153 - Page 16

TIME MARK 153
44 pages
Print Icon
To Next Page IconTo Next Page
To Next Page IconTo Next Page
To Previous Page IconTo Previous Page
To Previous Page IconTo Previous Page
Loading...
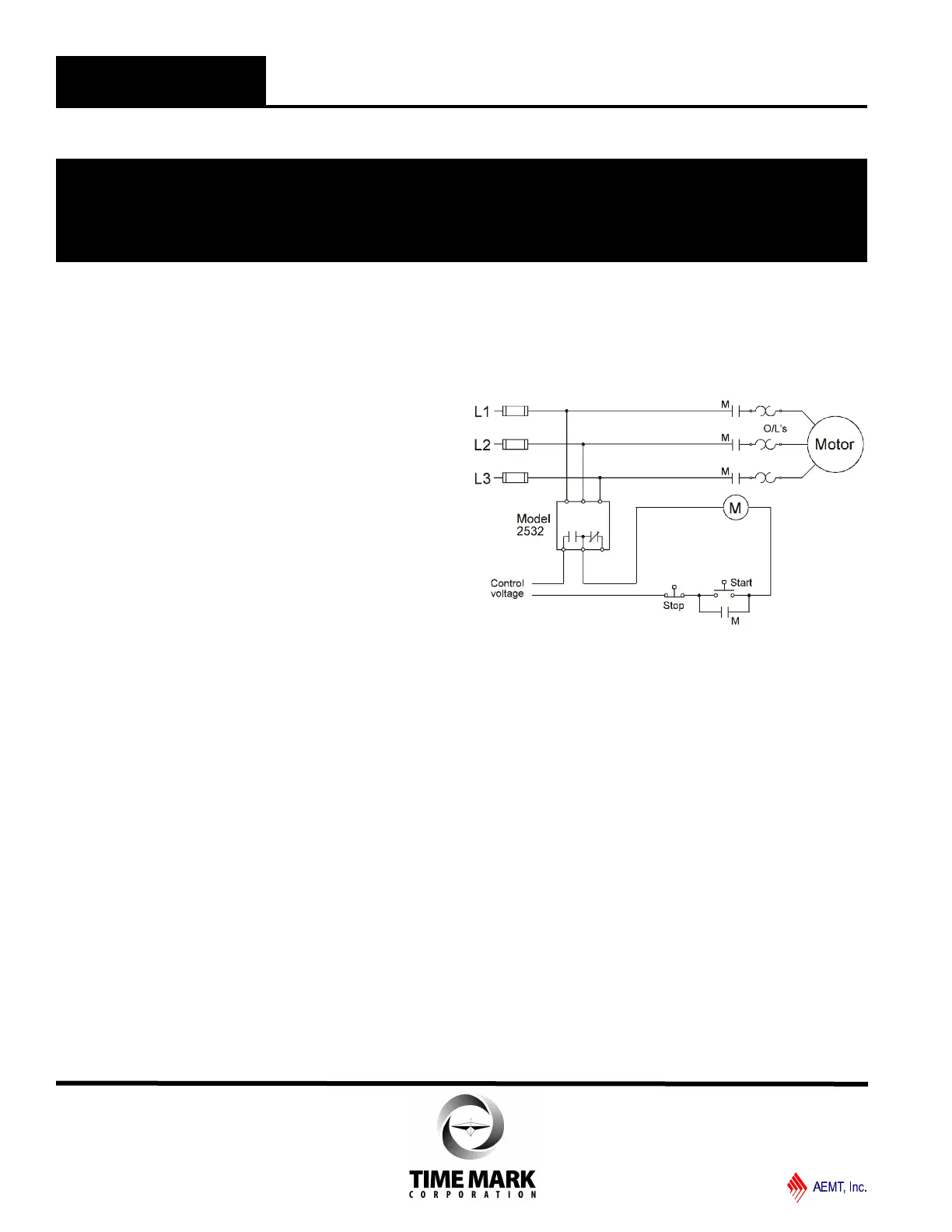
TYPICAL APPLICATION
INSTALLATION
Mount the Model 2532 in the desired location.
Connect the 3-phase power to the terminals marked A,
B, and C.
Connect the control circuit to the terminals with the
contact markings. Refer to the Typical Application
wiring diagram for additional information.
If the relay contacts do not transfer when power is
applied (LED indicator-Off), check that all three
voltages are correct.
If power is present and the voltage is correct, remove
power. Reverse two of the three phase connections.
Re-apply power.
The contacts should transfer to the normal condition
(normally open contacts closed; LED indicator-On).
Calibrations or adjustments are not required.
TROUBLESHOOTING
Should the relay fail to operate properly, check that all
three voltages are present and are of the correct level.
Check all fuses and verify that all wiring connections are
correct. Should problems persist, contact the factory for
assistance.
WARRANTY
The Model 2532 Reverse Phase Relay is covered by
Time Mark Corporation’s exclusive 5-Year
Unconditional Warranty. Should this device fail, for
any reason, within five years from the date of purchase,
we will repair or replace it. Contact the Time Mark
Sales department, Monday through Friday; 8 a.m. to 5
p.m., CST, for further details.
A
B
NO NCC
C
MODEL 2532
Reverse Phase Relay
READ ALL INSTRUCTIONS BEFORE INSTALLING, OPERATING OR SERVICING THIS DEVICE.
KEEP THIS DATA SHEET FOR FUTURE REFERENCE.
GENERAL SAFETY
POTENTIALLY HAZARDOUS VOLTAGES ARE PRESENT AT THE TERMINALS OF THE MODEL 2532.
ALL ELECTRICAL POWER SHOULD BE REMOVED WHEN CONNECTING OR DISCONNECTING WIRING.
THIS DEVICE SHOULD BE INSTALLED AND SERVICED BY QUALIFIED PERSONNEL.
Installation Instructions
TIME MARK is a division of
Telephone: Main - (918) 438-1220
Sales - (800) 862-2875
Fax: (918) 437-7584
E-mail: sales@time-mark.com
Internet: http://www.time-mark.com
Doc No. 87A149 12/00
© 2000 TIME MARK CORPORATION
11440 East Pine Street
Tulsa, Oklahoma 74116