EasyManua.ls Logo

TIME MARK 153 - Page 30

TIME MARK 153
44 pages
Print Icon
To Next Page IconTo Next Page
To Next Page IconTo Next Page
To Previous Page IconTo Previous Page
To Previous Page IconTo Previous Page
Loading...
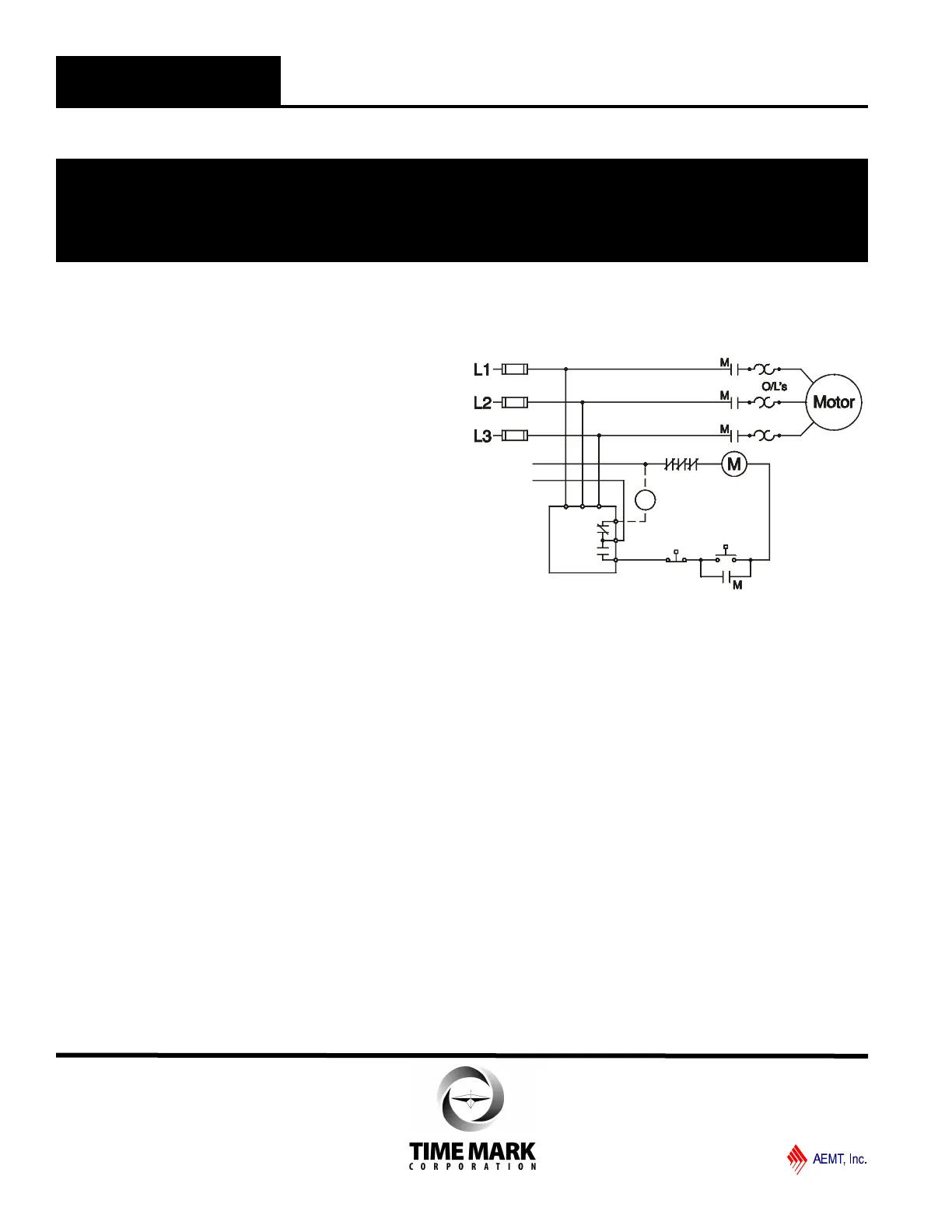
TYPICAL APPLICATION
TROUBLESHOOTING
Should the monitor fail to operate properly, check that all three
phases are present and of the correct voltage level. Check all
fuses and verify that all wiring connections are correct. Should
problems persist, contact the factory for assistance.
WARRANTY
The Model 2638 3-Phase Monitor is covered by Time Mark
Corporation’s exclusive 5-Year Unconditional Warranty.
Should this device fail, for any reason, within five years from
the date of purchase, we will repair or replace it free. Contact
the Time Mark Sales department, Monday through Friday; 8 a.
m. to 5 p.m., CST, for further details.
INSTALLATION
Mount the monitor in a suitable enclosure.
Connect 3-phase power to the terminals marked A, B and C.
For motor control applications, connect the load control
wiring to the normally open (NO) relay contacts.
For phase loss alarm applications, connect wiring to the
normally closed (NC) relay contacts.
Apply power. If the contacts do not transfer (TRIPPED
indicator ON), check that the three voltage indicators are lit
and that the ABC indicator is lit.
If one or more of the voltage indicators are off, not all phases
are present or of the correct voltage level.
If the CBA indicator is lit, remove power and reverse two of the
three phase wires (phase rotation is reversed).
Re-apply power. If the contacts still do not transfer, rotate the
TRIPPED level adjustment fully counter-clockwise. The
contacts should transfer, the TRIPPED indicator should be off,
the ABC indicator should be lit, and all three voltage indicators
should be lit.
ADJUSTMENT
Rotate the TRIPPED level adjustment clockwise until the relay
contact transfers (TRIPPED indicator ON). Slowly turn the
adjustment counter-clockwise, until the contacts resets.
This adjustment method sets the trip point roughly 5-10%
below the nominal voltage, and will be correct for most motor
applications. Should nuisance tripping occur, turn the
adjustment slightly farther counter-clockwise.
A more accurate adjustment method requires a 3-phase
variac, allowing the voltage to be lowered to a specific voltage
level. The 2638 can then be set to trip at this precise voltage.
If desired, the trip point can be factory pre-set for a nominal
fee. Contact the factory for more information.
OPTIONAL
ALARM
INDICATOR
STOP
START
MODEL
2638
O/L's
MODEL 2638
3-Phase Monitor
READ ALL INSTRUCTIONS BEFORE INSTALLING, OPERATING OR SERVICING THIS DEVICE.
KEEP THIS DATA SHEET FOR FUTURE REFERENCE.
GENERAL SAFETY
POTENTIALLY HAZARDOUS VOLTAGES ARE PRESENT AT THE TERMINALS OF THE MODEL 2638.
ALL ELECTRICAL POWER SHOULD BE REMOVED WHEN CONNECTING OR DISCONNECTING WIRING.
THIS DEVICE SHOULD BE INSTALLED AND SERVICED BY QUALIFIED PERSONNEL.
Installation Instructions
TIME MARK is a division of
Telephone: Main - (918) 438-1220
Sales - (800) 862-2875
Fax: (918) 437-7584
E-mail: sales@time-mark.com
Internet: http://www.time-mark.com
Doc No. 87A371 12/00
© 2000 TIME MARK CORPORATION
11440 East Pine Street
Tulsa, Oklahoma 74116
Shown De-Energized